To content
Помощь по сайту
Новости
zapros.by@autopiter.com
Контакты
Все категории
Каталоги запчастей
Минск
Вход
Корзина
Все категории
Каталоги запчастей
Фильтры Hebel Kraft
Оригинальные каталоги по VIN
Каталог мировых брендов
Запчасти ВАЗ, ГАЗ, КАМАЗ
Запчасти для ТО
Для спецтехники
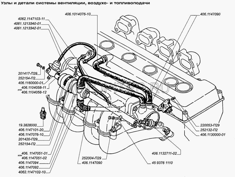
Шланг подогрева дросселя змз
63 предложения
Производители:
CS-20
Carum
General Motors
Great Wall
Haval
Honda
Jaguar
Land Rover
Lecar
Raddo
Tork
Vepa
_Балаково
Автоваз
Б/У запчасти
БМРТ
БРТИ
Брт, Балаково
Змз
Россия
СЗРТ
Уаз
1
2
3
Брт, Балаково
21121148038P
Шланг подогрева дроссельной заслонки отводящ (БРТ) Брт, Балаково
Брт, Балаково
211141148038
Шланг подогрева дроссельной заслонки ВАЗ-1118 БРТ Брт, Балаково
Змз
040624114801500
Прокладка ЗМЗ-406 под дроссель ЕВРО-3 (ОАО ЗМЗ) Змз
Змз
040904114801500
Прокладка ЗМЗ-409 под дроссель ЕВРО-3 (ОАО ЗМЗ) Змз
Автоваз
21114114803800
Шланг подогрева коллектора дросселя 2108-2115 (инжектор) Автоваз
Jaguar
AJ813565
Шланг подогревателя корпуса дроссельной заслонки, выпуск Jaguar
Брт, Балаково
21121148039P
ШЛАНГ ПОДОГРЕВА ДРОССЕЛЯ ВАЗ 2108 2115 ПОДВОДЯЩИЙ 440 ММ Брт, Балаково
Брт, Балаково
211141148038P
Шланг подогрева дроссельной заслонки ВАЗ-2108-15 инж. БРТ Брт, Балаково
Raddo
05267
Шланг подогрева коллектора дросселя 2112 отвод. толстый Raddo Raddo
БМРТ
21121148038P
N/50117386/БРТ/Шланг подогрева дроссельной заслонки отводящ (БРТ) БМРТ
БРТИ
21121148038P
N/50117386/БРТ/Шланг подогрева дроссельной заслонки отводящ (БРТ) БРТИ
БМРТ
211141148038P
m/36103/БРТ/Шланг подогрева дроссельной заслонки ВАЗ-2108-15 инж. БРТ БМРТ
БМРТ
211141148039P
m/30628/БРТ/Шланг подогрева дроссельной заслонки ВАЗ-2108-15 инж. БРТ БМРТ
Змз
409041148015
Прокладка дросселя ЗМЗ-40904 Змз
Змз
40904114801501
Прокладка дросселя УАЗ дв.ЗМЗ-40904 ЕВРО-3 (ЗМЗ) Змз
Уаз
4062114710311
Шланг регулятора холостого хода ЗМЗ-406,405,409 от дросселя НО Уаз
Land Rover
LR045238
Шланг подогревателя корпуса дроссельной заслонки, выпуск Land Rover
Змз
4062114810002
m/725975/ЗМЗ/Дроссель дв. 406 с датчиком Змз
Змз
4062114810014
Дроссель с датчиком (дв.40522,409) ОАО ЗМЗ Змз
Уаз
040624114801500
Прокладка ЗМЗ-406 под дроссель ЕВРО-3 (ОАО ЗМЗ) Уаз
СЗРТ
4062114710310
Шланг регулятора холостого хода ЗМЗ-406,405,409 от дросселя СЗРТ
Tork
TRK1598
Шланги и патрубки TORK TRK1598 OPEL Astra H 1.8 2006.01> Трубка подогрева дроссельной заслонки Tork
Автоваз
21121148039
m/583811/LADA/Шланг подогрева дроссельной заслонки ВАЗ-2108-15 инж. Автоваз
_Балаково
211141148038P
m/36103/БРТ/Шланг подогрева дроссельной заслонки ВАЗ-2108-15 инж. БРТ _Балаково
_Балаково
21121148038P
N/50117386/БРТ/Шланг подогрева дроссельной заслонки отводящ (БРТ) _Балаково
_Балаково
211141148039P
m/30628/БРТ/Шланг подогрева дроссельной заслонки ВАЗ-2108-15 инж. БРТ _Балаково
Raddo
19897
Шланг ВАЗ-2112 подогрева дросселя L480мм 1шт силикон СИНИЙ в пакете Raddo
Змз
4061148015
Прокладка дросселя "ЗМЗ-405,406,409дв" Змз
Змз
406114801220
Патрубок дроссельный ЗМЗ-406 (ЗМЗ) (406.1148012-20) Змз
Змз
406241148015
Прокладка под дроссель ЗМЗ-406 ЕВРО-3 ЗМЗ 40624-1148015 Змз
1
2
3
Часто ищут
шланг подогрева дросселя змз
шланг подогрева дросселя
шланг подогрева дросселя уаз
шланг подогрева дросселя 2110
шланги подогрева дроссельной заслонки
шланг подогрева дроссельной заслонки
шланг подогрева дросселя отводящий 2107
шланг подогрева дроссельного патрубка ваз
шланг подогрева дросселя отводящий 2107 cs20
трубка подогрева дросселя cruze
патрубок подогрева дросселя nexia
штуцер подогрева дроссельной заслонки
трубка подогрева дроссельной заслонки
штуцер подогрева дроссельной заслонки заз
патрубок подогрева дроссельной заслонки
штуцер подогрева дроссельной заслонки ваз
штуцер подогрева дроссельной заслонки сенс ланос
трубка подогрева дроссельной заслонки оригинал
патрубок подогрева дроссельной заслонки ваз-2123
трубка подогрева дроссельной заслонки шевроле авео
Рекомендуем