To content
Помощь по сайту
Новости
zapros.by@autopiter.com
Контакты
Все категории
Каталоги запчастей
Минск
Вход
Корзина
Все категории
Каталоги запчастей
Фильтры Hebel Kraft
Оригинальные каталоги по VIN
Каталог мировых брендов
Запчасти ВАЗ, ГАЗ, КАМАЗ
Запчасти для ТО
Для спецтехники
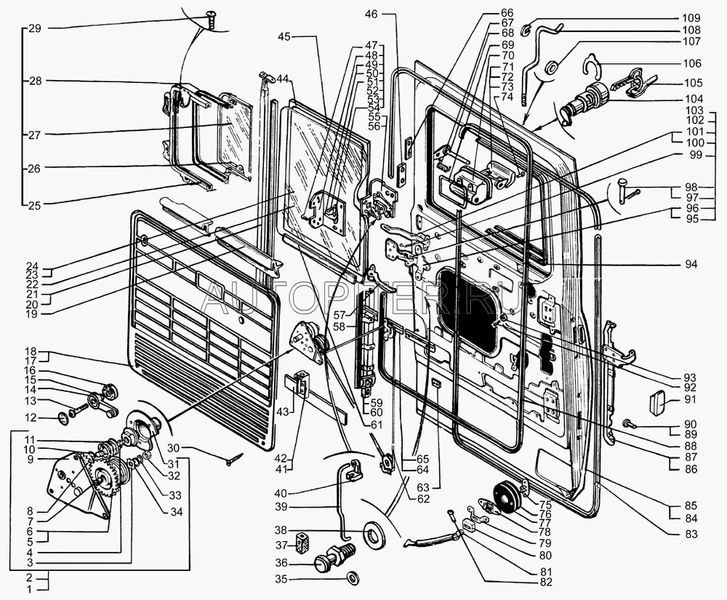
110216105013
1 предложение
Производители:
Краз
Краз
110216105013
Замок двери в сборе левый
Часто ищут
втулка линка 11021
хомуты крепления топливного бака газ 24-1102110
трос сцепления таврия, 1102, 1103, 1105
дверь задка 1102/1103 славута
трос подсоса заз 1102
привод таврия 1102
фонарь задний заз 1102
бампер задний заз 1102
реле сигнала заз 1102
заз 1102 втулка рейки
zaz 1102 бачок насоса гур
колодки задние 1102 заз
насос топливный zaz 1102
шаровая опора заз 1102
zaz 1102 насос топливный
крышка защитная грм заз 1102-1105 таврия
заз 1102 втулка рулевой
zaz 1102 накладка двери
шплинт булавка 11024
трос сцепления заз 1102
Рекомендуем