2606103231
2 предложенияПроизводители:
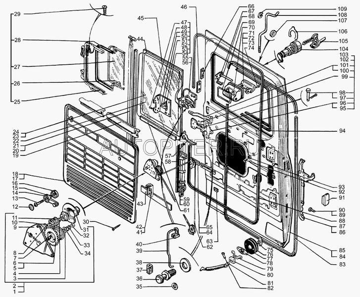
Краз
Россия
Часто ищут
- nissan 260604cc1c фара головного света
- коллектор д-260.7с,д-260.2s2,д-260.4s2 выпускной
- 260-1307116-02 насос водяной д-260
- сальник вод. насоса д-260 94412 260-двс
- коллектор 260 прав.260.5-1008022
- блок двигателя д-260 260-1002020
- 260-1002141 крышка уплотнения д-260
- крышка уплотнения д-260 2601002141
- насос водяной д-260
- насос тнвд 260 26.1111003-20
- 260-508,9.00-20 (260-508,9.00r20) камера грузовая
- 260-1002069 втулка распределительного вала д-260
- к-т прокл двиг смд 260
- ремкомплект теплообменника д-260 (260-1013010)
- вкладыш д-260 шат.н1
- каталог краз 260
- набор прокладок д-260
- поршневая д-260 евро-3
- головка блока д-260
- прокладки двиг д-260