To content
Помощь по сайту
Новости
zapros.by@autopiter.com
Контакты
Все категории
Каталоги запчастей
Минск
Вход
Корзина
Все категории
Каталоги запчастей
Фильтры Hebel Kraft
Оригинальные каталоги по VIN
Каталог мировых брендов
Запчасти ВАЗ, ГАЗ, КАМАЗ
Запчасти для ТО
Для спецтехники
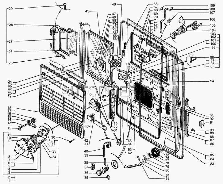
6510610516110
1 предложение
Производители:
Краз
Краз
6510610516110
Прокладка корпуса ручки
Часто ищут
тяга краз 6510
крыло краз 6510
подкрылки краз 6510
проводка краз 6510
6510 краз патрубок
kraz 6510 ручка двери
стекло лобовое краз 6510
фильтр воздушный краз 6510
каталог краз 6510,6444 краз
стекло ветровое краз-6510
анод магниевый 65103768
болт ступицы зад. 6510-3104008
фильтр воздушный краз 6510 tsn
р/к накладок тормозных краз 65101
болт колеса краз (6510-3104008)
стекло треугольное краз 6510
балансир для краз (6510-8602010)
kraz 6510 крыло переднее правое
фитинг цанга 10-1/4 прямой наруж 6510
стекло ветрового окна краз 6510
Рекомендуем