Fendt-6300C часть3fendt-6300c-chast3
Поиск деталей
90 GUARDS100 DRIVER'S PLATFORM110 HYDRAULIC SYSTEM120 ELECTRIC SYSTEM130 TOOLS AND DECAL140 VARIATIONS AND ACCESSORIES

Variations And Accessories

Variations And Accessories

Variations And Accessories

Variations And Accessories

Variations And Accessories

Czeh Republic Version

Equipment, Denmark-Sweden Version

Front Elevator

Germany Version

Wheels Block

Switzerland Version

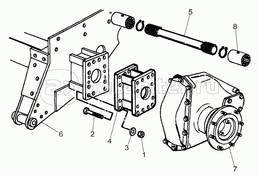
Front Axle Spacer (Mm. 250)

Rasp-Bar Concave

Electrical Adjustment Deflectors

Electrical Adjustment Deflectors

Upper Sieve, Adjustable

Front Elevator Support Kit

Additional Electric System

Fuel Filter

Muddy Soil Guards

Cutting Table Block Quick Release Coupling

Chaff Spreader Transmission

Chaff Spreader Bracket - Right Side

Chaff Spreader Left Side Supports

Chaff Spreader Chassis

Chaff Spreader Guard

Canvas

Chain Drive For Drum

Ballast Weight On Rear Axle 4wd

Ballast Weight On Rear Axle

Rear Wheel Weight

Ballast Weight On Rear Body

Ballast Weight On Rear Body

Spike Tooth Concave With 2 Complete Thresing Section

Speed Reduction

Supplement Beater, Corn, Mixed Crop

Concave, Corn, Mixed Crop

Concave, Corn, Mixed Crop

Upper Sieve, Corn, Cob, Mixed Crop

Drum Bar Plates

Equipment For Small Seeds

Equipment For Soy

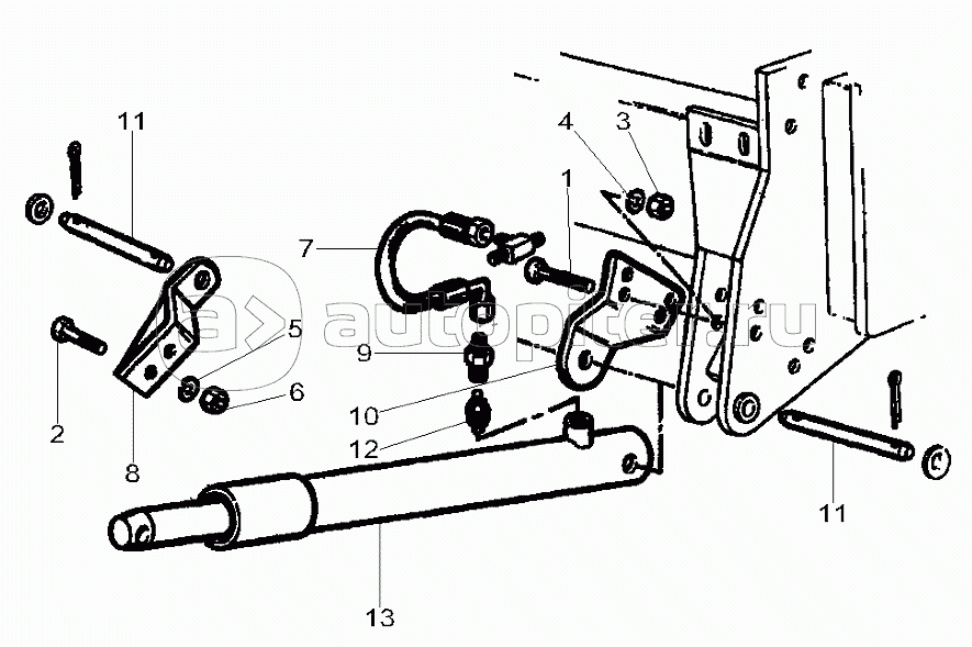
Cutter Bar Lifting Additional Ram

Cutter Bar Lifting Additional Ram Autolevel

Cutter Bar Lifting Additional Ram World Wide Hook Up

Excluding Device For Additional Cilinder Of Cutt

Cutter Bar Lifting Additional Ram Autolevel

Rear Wheels

Rear Wheels Autolevel

Front Wheels

Front Wheels Autolevel