To content
Помощь по сайту
Новости
zapros.by@autopiter.com
Контакты
Страна: Беларусь
Выберите язык
Ru — Русский
En — English
De — Deutsch
Pl — Polski
Все категории
Каталоги запчастей
Минск
Вход
Корзина
Все категории
Каталоги запчастей
Фильтры Hebel Kraft
Оригинальные каталоги по VIN
Каталог мировых брендов
Запчасти ВАЗ, ГАЗ, КАМАЗ
Запчасти для ТО
Для спецтехники
Запчасти на ВАЗ, ГАЗ, Камаз и т.д.
Алтайдизель
А-01М, Д-461
А-01М, Д-461
a-01m-d-461
Поиск деталей
Например:
Блок картера и картер маховика
Двигатель
Двигатель
Система питания
Система выпуска отработанных
Система охлаждения
Трансмиссия
Сцепление
Электрооборудование
Электрооборудование
Принадлежности
Инструмент и принадлежности
Приложение
Схема расположения подшипников
Блок картера и картер маховика
Картер шестерен
Поршень и шатун
Вал коленчатый
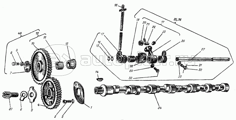
Механизм газораспределения
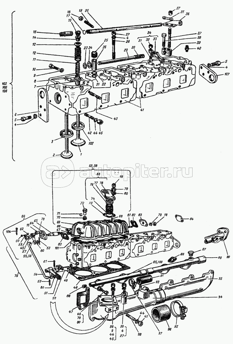
Головка цилиндров
Устройство пусковое
Крышка картера нижняя
Насос масляный
Фильтр масляный центробежный (центрифуга)
Привод гидравлических насосов