To content
Помощь по сайту
Новости
zapros.by@autopiter.com
Контакты
Все категории
Каталоги запчастей
Минск
Вход
Корзина
Все категории
Каталоги запчастей
Фильтры Hebel Kraft
Оригинальные каталоги по VIN
Каталог мировых брендов
Запчасти ВАЗ, ГАЗ, КАМАЗ
Запчасти для ТО
Для спецтехники
Запчасти на ВАЗ, ГАЗ, Камаз и т.д.
Amity
Amity-2007 WIC 6 row
Amity-2007 WIC 6 row
amity-2007-wic-6-row
Поиск деталей
Например:
Сцепка
Свеклоуборочная машина
Гидросистема
Осветительные приборы
Карданы
Редуктор
Гидрооборудование
Приложение
Гидросхема копира и сцепки
Гидросхема копира и сцепки, с автоновмной гидростанцией
Гидросхема двойного копира и сцепки
Гидросхема двойного копира и сцепки (вариант для СНГ)
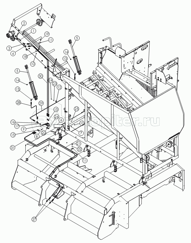
Гидравлика накопительного бункера
Гидравлика накопительного бункера (с автоновмной гидросистемой)
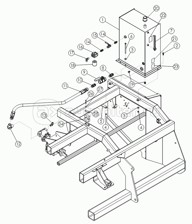
Гидравлический бак