Дизели Д6С1dizeli-d6s1
Поиск деталей
Например: Дизель 1Д6-150 (вид слева)

Масляный насос

Корпус масляного насоса

Детали масляного насоса

Патрубок масляного насоса

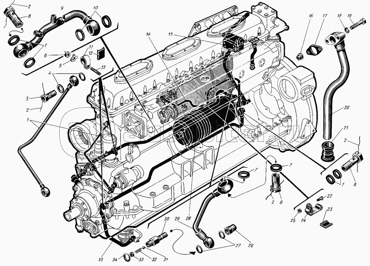
Трубопровод масляный

Электромаслоподкачивающий насос

Корпус электромаслоподкачивающего насоса

Крышка электромаслоподкачивающего насоса

Трубопровод масляный

Масляный фильтр (для дизелей, выпускаемых с 1977г.)

Масляный фильтр (для дизелей, выпущенных до 1977г.)

Крышка масляного фильтра (для дизелей, выпущенных до 1977г.)

Ручной маслоподкачивающий насос