To content
Помощь по сайту
Новости
zapros.by@autopiter.com
Контакты
Страна: Беларусь
Выберите язык
Ru — Русский
En — English
De — Deutsch
Pl — Polski
Все категории
Каталоги запчастей
Минск
Вход
Корзина
Все категории
Каталоги запчастей
Фильтры Hebel Kraft
Оригинальные каталоги по VIN
Каталог мировых брендов
Запчасти ВАЗ, ГАЗ, КАМАЗ
Запчасти для ТО
Для спецтехники
Запчасти на ВАЗ, ГАЗ, Камаз и т.д.
Барнаултрансмаш
Дизели Д6С2
Дизели Д6С2
dizeli-d6s2
Поиск деталей
Например:
Картер
Двигатель
Двигатель
Система питания
Система выпуска отработанных газов
Система охлаждения
Система смазки
Механизмы управления
Управление дизелем
Электрооборудование
Электрооборудование
Дополнительное оборудование
Привод отбора мощности
Принадлежности
Инструмент и принадлежности
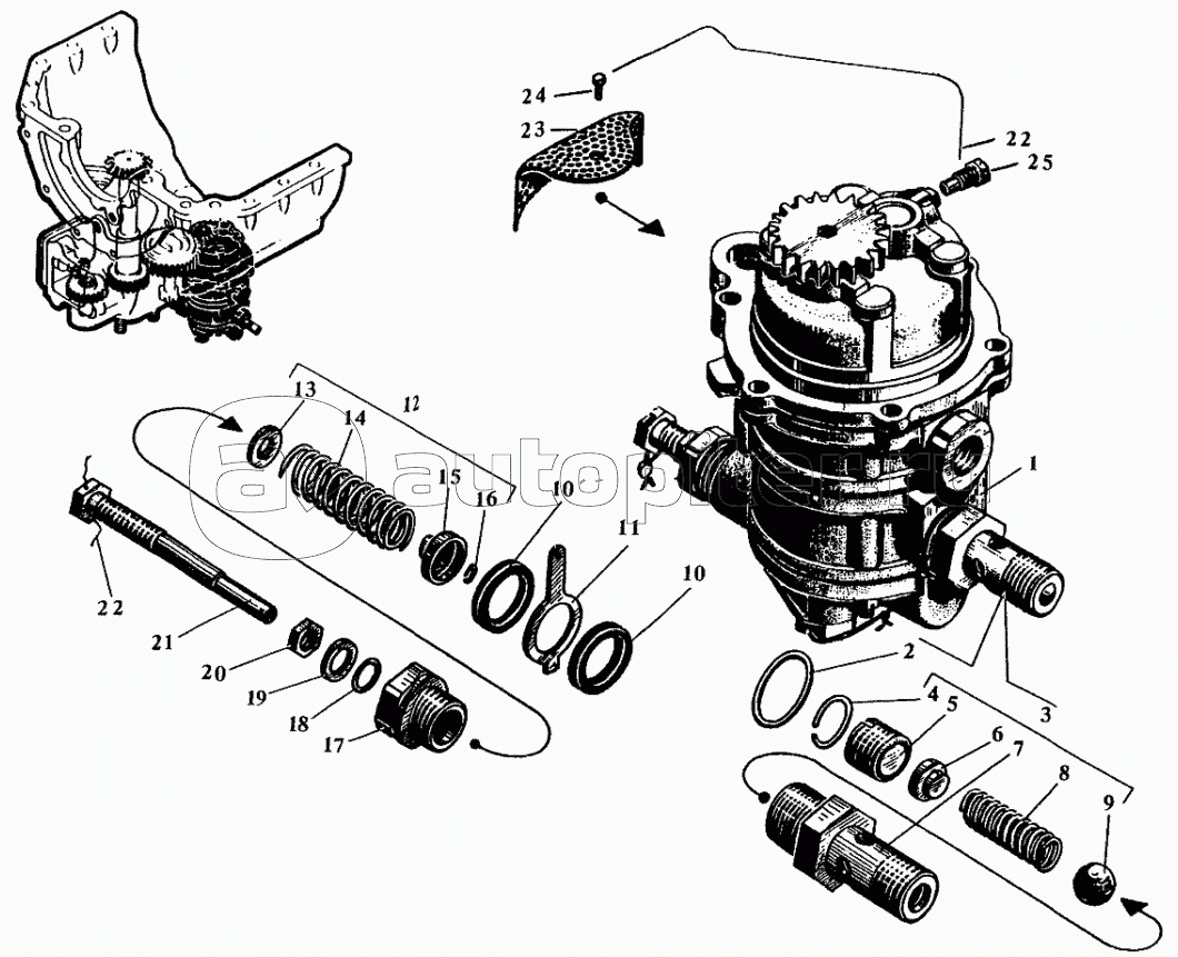
Насос масляный
Детали масляного насоса
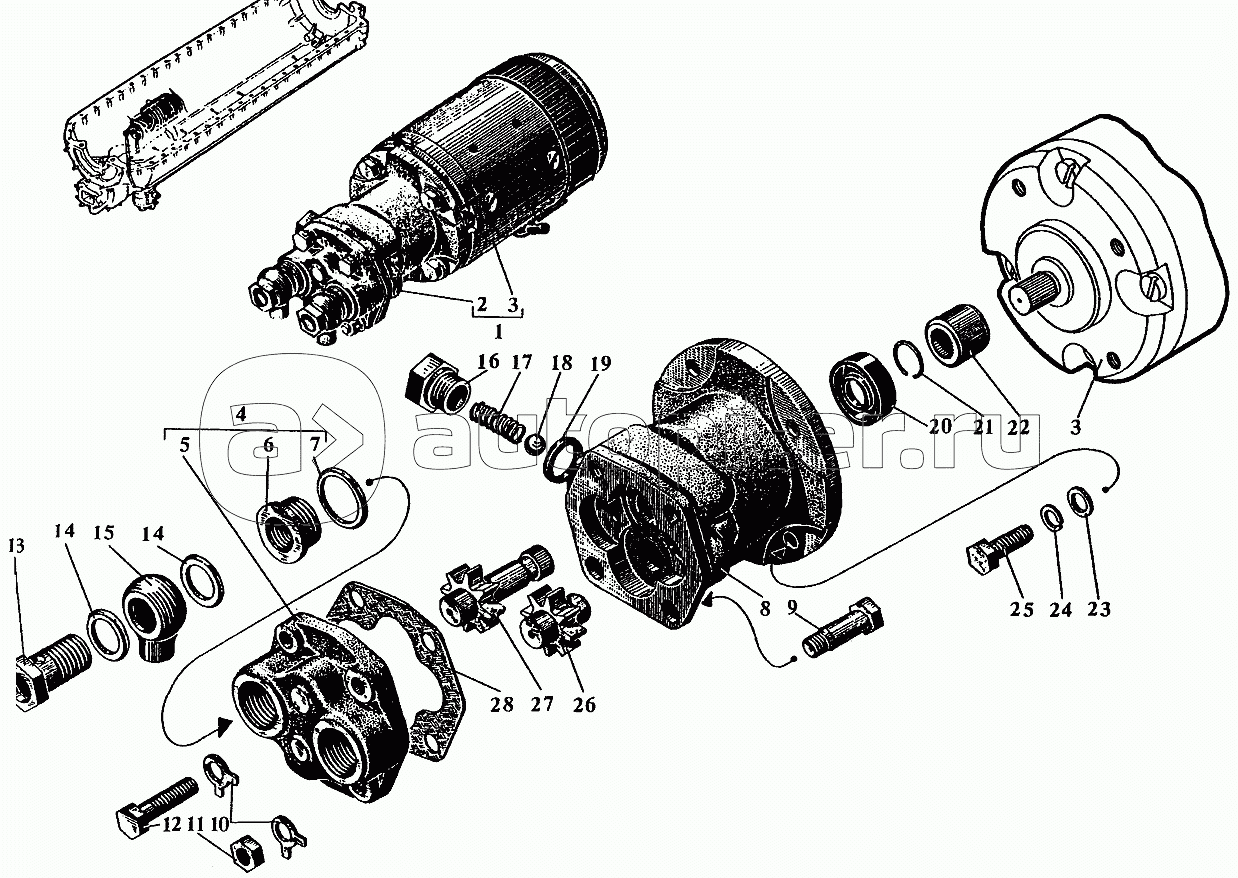
Насос электромаслопрокачивающий
Масляный фильтр
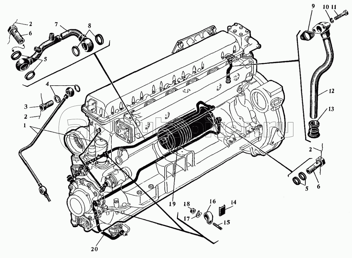
Трубопровод масляный и патрубок отвода масла
Трубопровод масляный