БелАЗ-75131 (доп. к каталогу)belaz-75131-dop-k-katalogu
Поиск деталей
Установка дизель–генератораСистема питанияСистема выпуска отработавших газовСистема охлажденияТормоза

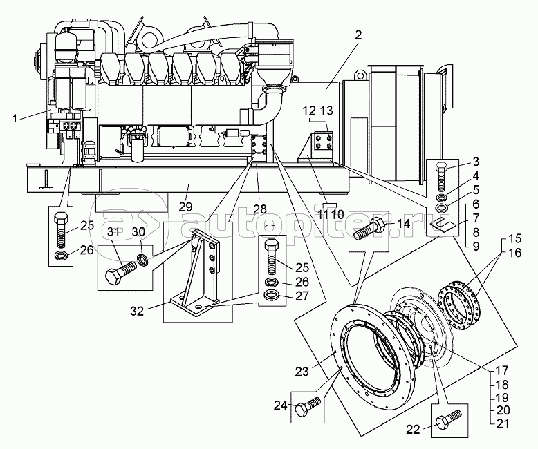
Установка дизель–генератора (7513А-1000003, 75137-1000003-11)

Установка дизель–генератора (7513В-1000003, 75137-1000003-20, 75137-1000003-21,75137-1000003-22)

Дизель–генератор (7513А-1000004, 75137-1000004-11)

Дизель–генератор (7513В-1000004, 75137-1000004-20, 75137-1000004-21, 75137-1000004-22)

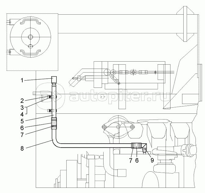
Установка маслопроводов двигателя (75137-1000006)

Установка системы пневмостартерного пуска двигателя (75137-1000007-10)

Установка системы пневмостартерного пуска двигателя (75137-1000007)

Баллон воздушный (7549-1031010)

Баллон воздушный с кронштейном (7513-1031010)

Кран запорный (75211-1032800-10)

Клапан защитный одинарный (100-3515010)

Установка предпускового подогревателя (75137-1000008)

Установка маслозакачивающего насоса (75302-1021004)