БелАЗ-75306belaz-75306
Поиск деталей
Например: Установка дизель-генератора
Дизель-генераторСистема питания двигателяСистема выпуска отработавших газовСистема охлаждения двигателяЭлектропривод тяговыйМост заднийРамаПодвескаОсь передняяКолесаРулевое управлениеТормозные системыПневмосистемаЭлектрооборудованиеСистема контроля давления в шинахСистема пожаротушенияКабинаОперениеПлатформаОпрокидывающий механизм

Установка цилиндров опрокидывающего механизма

Цилиндр опрокидывающего механизма

Установка трубопроводов опрокидывающего механизма

Гидрораспределитель

Клапан вспомогательный

Клапан вспомогательный

Клапан предохранительный

Блок управления

Клапан

Установка насосов

Насос сдвоенный

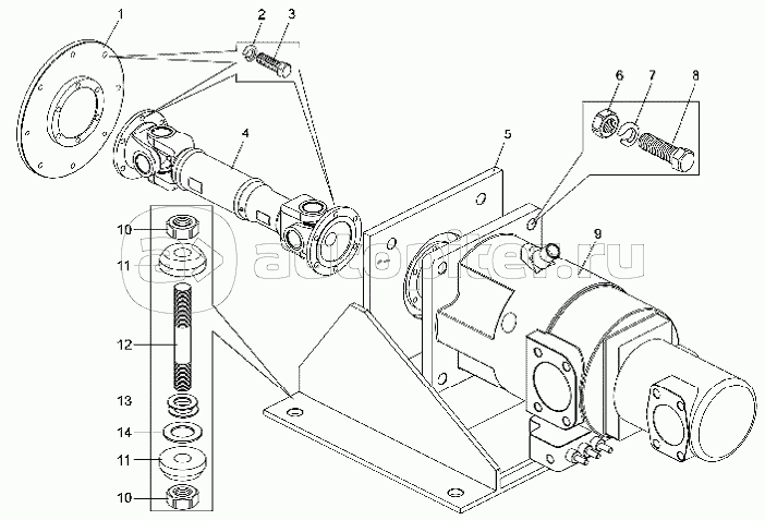
Карданный вал

Ограждение карданного вала

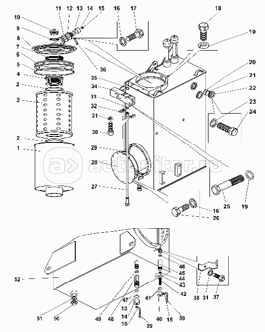
Установка масляного бака

Бак масляный

Клапан предохранительный

Фильтр