To content
Помощь по сайту
Новости
zapros.by@autopiter.com
Контакты
Все категории
Каталоги запчастей
Минск
Вход
Корзина
Все категории
Каталоги запчастей
Фильтры Hebel Kraft
Оригинальные каталоги по VIN
Каталог мировых брендов
Запчасти ВАЗ, ГАЗ, КАМАЗ
Запчасти для ТО
Для спецтехники
Запчасти на ВАЗ, ГАЗ, Камаз и т.д.
Бобруйскагромаш
МЖТ-10
МЖТ-10
mzht-10
Поиск деталей
Например:
Крышка люка
Машина для внесения жидких органических удобрений
МЖТ-10
Система гидравлическая
Трансмиссия
Трансмиссия
Ходовая часть
Рама
Колеса
Система управления
Тормоза
Электрооборудование
Электрооборудование
Инструмент и принадлежности
Инструмент и принадлежности
Дополнение
Общий вид
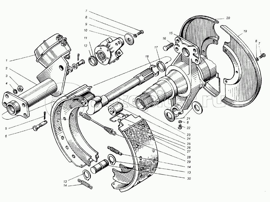
Тормоза
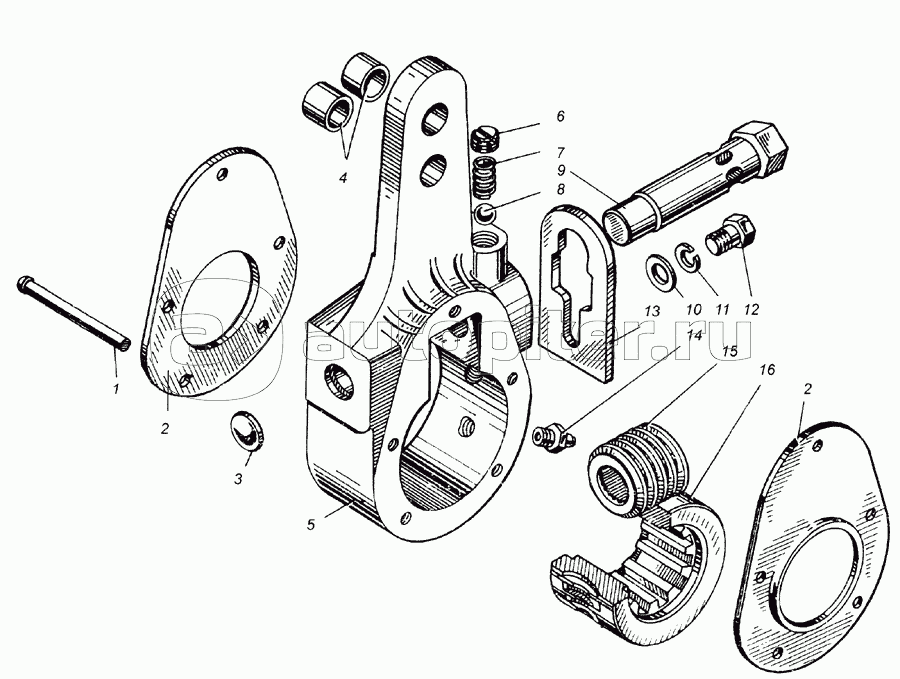
Кронштейн тормозов
Камера тормозная 500-3519110-02
Рычаг регулировочный 500-3501136-01
Система тормозная МЖТ 10.12.00.000
Воздухораспределитель
Кран растормаживания 11.3516010
Головка соединительная 11.3521110
Ресивер 086СТ00-01.000
Кран отбора воздуха 120-3506350