To content
Помощь по сайту
Новости
zapros.by@autopiter.com
Контакты
Все категории
Каталоги запчастей
Минск
Вход
Корзина
Все категории
Каталоги запчастей
Фильтры Hebel Kraft
Оригинальные каталоги по VIN
Каталог мировых брендов
Запчасти ВАЗ, ГАЗ, КАМАЗ
Запчасти для ТО
Для спецтехники
Запчасти на ВАЗ, ГАЗ, Камаз и т.д.
Бобруйскагромаш
ПРТ-10
ПРТ-10
prt-10
Поиск деталей
Например:
Борта
Машина для внесения удобрений
ПРТ-10
Трансмиссия
Трансмиссия
Система управления
Тормоза
Ходовая часть
Рама
Колеса
Электрооборудование
Электрооборудование
Инструменты и принадлежности
Инструменты и принадлежности
Дополнение
Схема расположения подшипников
Общий вид
Указатель иллюстраций
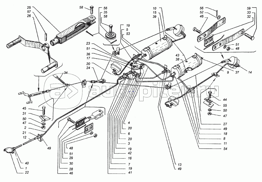
Система тормозная
Кран отбора воздуха
Баллон воздушный
Головка соединительная
Кран ручного управления тормозами
Кран спускной
Воздухораспределитель тормозной
Тормоза
Камера тормозная
Рычаг регулировочный
Кронштейны тормозной камеры