To content
Помощь по сайту
Новости
zapros.by@autopiter.com
Контакты
Все категории
Каталоги запчастей
Минск
Вход
Корзина
Все категории
Каталоги запчастей
Фильтры Hebel Kraft
Оригинальные каталоги по VIN
Каталог мировых брендов
Запчасти ВАЗ, ГАЗ, КАМАЗ
Запчасти для ТО
Для спецтехники
Запчасти на ВАЗ, ГАЗ, Камаз и т.д.
CASE IH
Axial Flow 2388
Axial Flow 2388
axial-flow-2388
Поиск деталей
Например:
RADIATOR - FAN SHROUD
ENGINE
ELECTRICAL SYSTEM
STEERING
HYDROSTATICS
HYDRAULICS
SEPARATOR
FEEDER
FIELD TRACKER
BEATER
UNLOADER
STRAW SPREADER
CAB
SHIELDS
LADDER
PLATFORM
DECALS
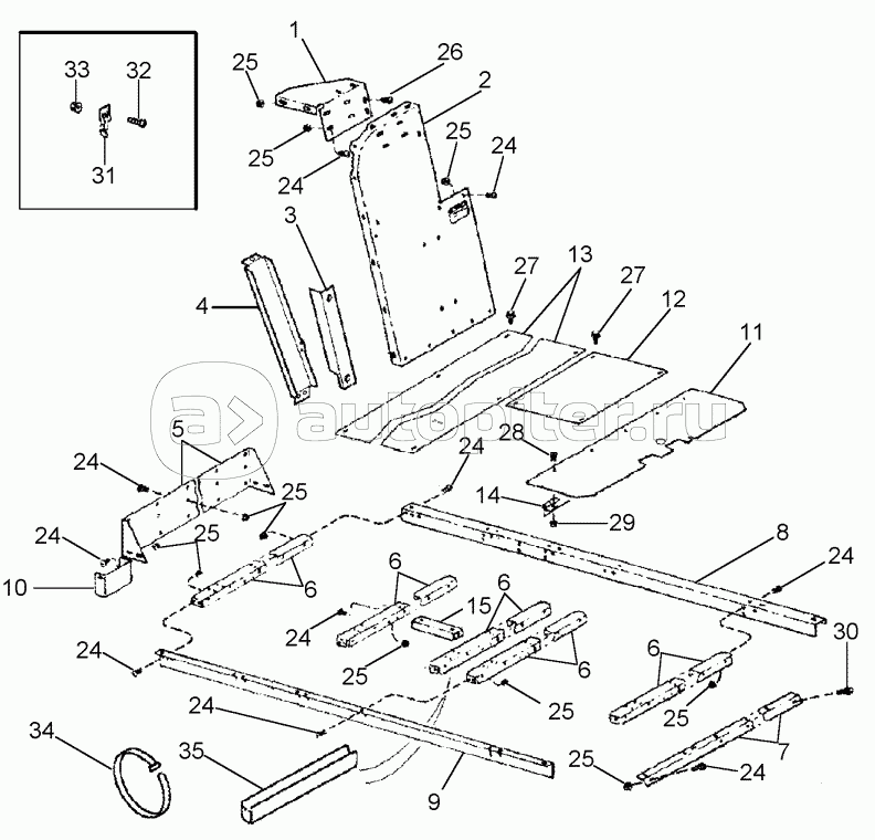
ENGINE SHIELDS AND SERVICE DECK
ENGINE SHIELDS AND SERVICE DECK SUPPORTS
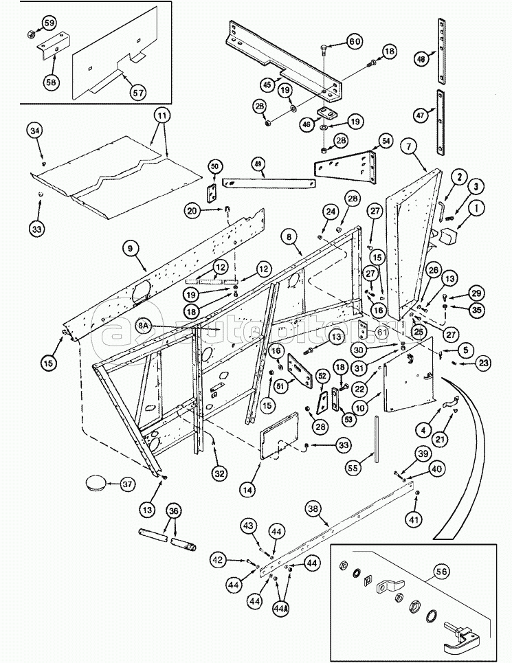
SEPARATOR - DOORS - LEFT HAND
SEPARATOR - DOORS - RIGHT HAND
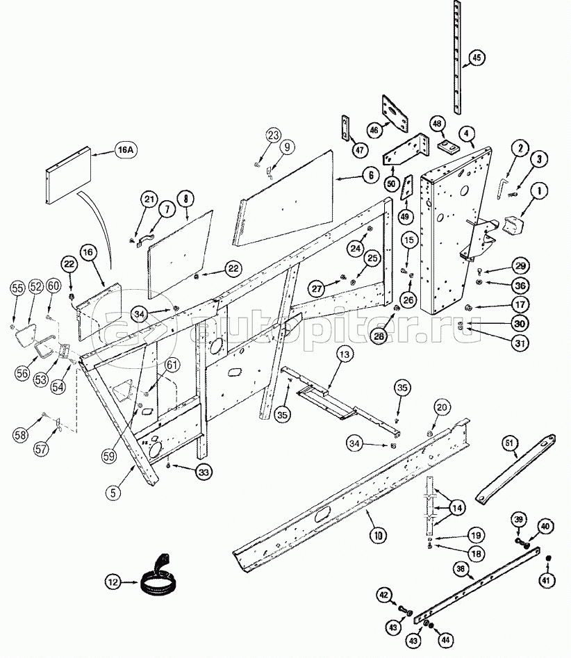
SEPARATOR - HOOD
DOOR - SHIELD - RIGHT HAND
DOOR - SHIELDS - LEFT HAND
GRAIN TANK, CORNER COVER PARTS
DEFLECTORS - SUPPORTS