Жатка-2152zhatka-2152
Поиск деталей
Например: FRAME AND COMPONENTS

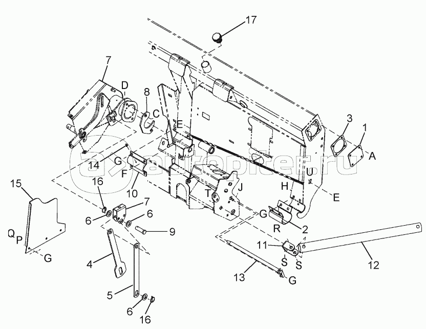
ADAPTER FRAME AND COMPONENTS

ADAPTER FEED DECK

ADAPTER TRANSITION PAN AND POLY KIT

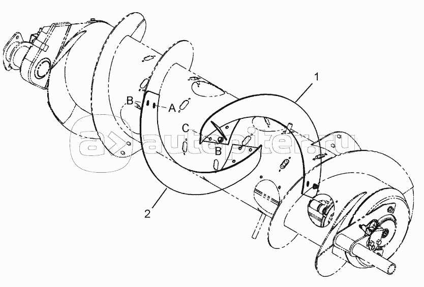
ADAPTER AUGER AND COMPONENTS

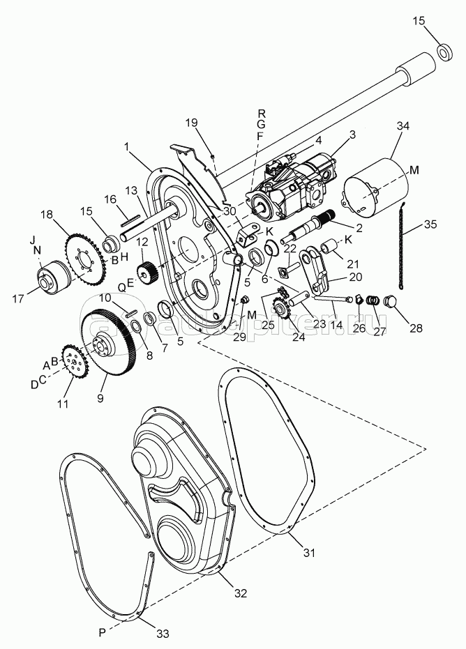
ADAPTER DRIVES

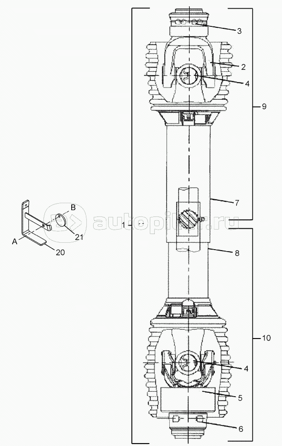
ADAPTER INPUT DRIVELINE

ADAPTER HYDRAULICS

ADAPTER FLOAT LINKAGE AND COMPONENTS

ADAPTER MECHANICAL CENTER LINK WITH FLOAT INDICATOR

ADAPTER HYDRAULIC CENTER LINK WITH FLOAT AND TILT INDICATORS

ADAPTER AUTO HEADER HEIGHT: SENSORS, LINKAGE, AND HARNESSES

ADAPTER HYDRAULIC SELECTOR VALVE KIT - HEADER TILT/REEL FORE - AFT

ADAPTER DECALS

ADAPTER AUGER FLIGHTING EXTENSIONS

ADAPTER STRIPPER BARS

CASE 20 SERIES - ADAPTER COMPLETION

CASE 20 SERIES - ADAPTER HYDRAULIC/ELECTRICAL COMPLETION

CASE AF AND NEW HOLLAND CR/CX - ADAPTER COMPLETION

CASE AF AND NEW HOLLAND CR/CX - ADAPTER HYDRAULIC/ELECTRICAL COMPLETION