Cummins-4BT3.9cummins-4bt3-9
Поиск деталей
Например: FRONT DRIVE ADAPTER
Двигатель

FRONT DRIVE ADAPTER

DATAPLATE

DATAPLATE

FRONT GEAR COVER BP9703

FRONT GEAR COVER

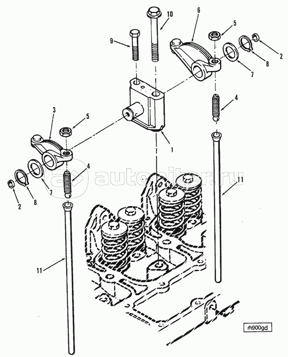
VALVE TAPPET

FRONT GEAR COVER BP9727

CYLINDER BLOCK

CRANKSHAFT

REAR CLUTCH

CAM FOLLOWER COVER

THERMOSTAT

ALTERNATOR LOCATION

ALTERNATOR LOCATION

ALTERNATOR LOCATION

TEMPERATURE SENSOR

FAN DRIVE

FAN DRIVE

FAN DRIVE

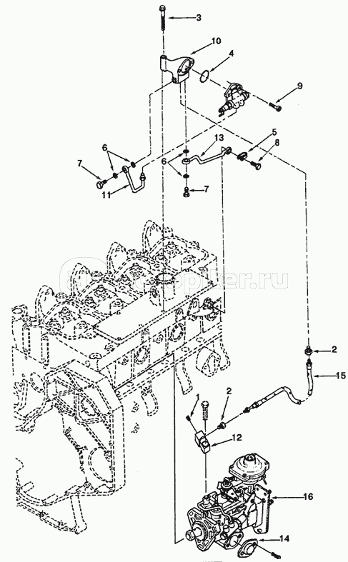
AIR FUEL CONTROL PLUMBING

FUEL FILTER

FUEL FILTER PLUMBING

FLYWHEEL HOUSING

FLYWHEEL HOUSING

FUEL PUMP COUPLING

BOSCH INJECTION PUMP

BOSCH VE PUMP SERVICE PARTS

BOSCH INJECTION PUMP

BOSCH INJECTION PUMP

BOSCH VE PUMP SERVICE PARTS

FUEL SYSTEM ACCESSORIES

PLUMBING, FUEL

FLYWHEEL

LIFTING BRACKET

LUBRICATING OIL COOLER

LUBRICATING OIL COOLER

OIL LEVEL GAUGE

OIL LEVEL GAUGE

LUBRICATING OIL PUMP

CYLINDER BLOCK COVER

CYLINDER BLOCK COVER

CYLINDER BLOCK COVER

OIL PAN

CONNECTING ROD AND PISTON

CAMSHAFT

CYLINDER HEAD

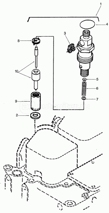
FUEL INJECTOR

FUEL INJECTOR

TURBOCHARGER

TURBOCHARGER

TURBOCHARGER

TURBOCHARGER

TURBOCHARGER

TURBOCHARGER

TURBOCHARGER

TURBOCHARGER

TURBOCHARGER

TURBOCHARGER

TURBOCHARGER

TURBOCHARGER

TURBOCHARGER

TURBOCHARGER

TURBOCHARGER

STARTING MOTOR MOUNTING

FAN PILOT SPACER

STARTING MOTOR

TURBOCHARGER LOCATION

TURBOCHARGER LOCATION

TURBOCHARGER LOCATION

THERMOSTAT HOUSING

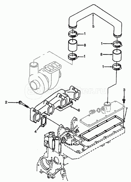
TURBOCHARGER PLUMBING

TRANSMISSION

VALVE COVER

WATER INLET CONNECTION

WATER INLET CONNECTION

PUMP WATER