254EC254ec
Поиск деталей
Например: Throttle Control Mechanism
ClutchFrameDrive WheelClevis TypeTransmissionFull Hydraulic Power Steering GearPTOBrakeSeatHood and PanelElectrical SystemToolboxFuel TankSuspension MechanismHydraulicFront Wheel Drive AxleAir Filter, RadiatorExhaust pipeSandwich Multiole Control ValveFront Balance WeightTractor DrawbarEngine

Cylinder Head Cover Assembly

Cylinder Head Assembly

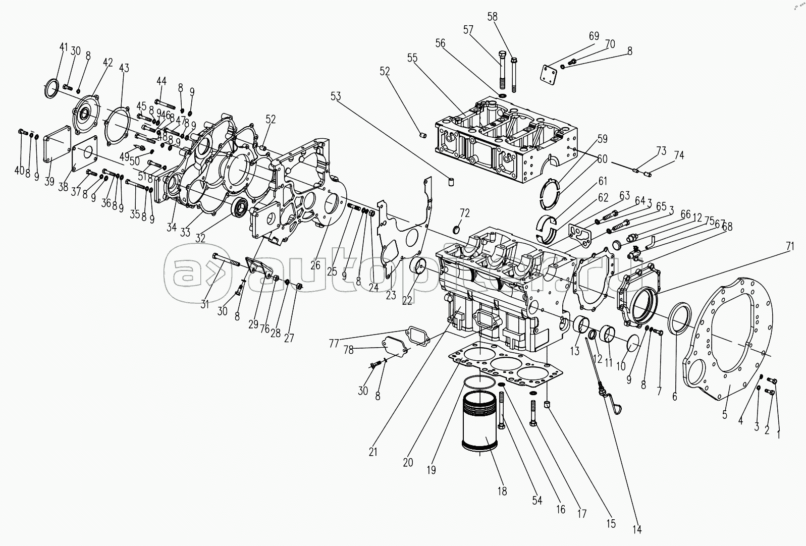
Cylinder Block and Gear Case Assembly

Timing Gear Train

Piston and Connecting Rod Assembly

Crankshaft and Flywheel Assembly

Valve Timing Mechanism

Water Pump and Fan Assembly

Oil Sump Assembly

Lubricating Oil Pump Assembly

Fuel System

Oil Suction Strainer Assembly

Tension pulley assembly

Oil Filter/Air Filter/Generator/Starting Motor/Silencer