To content
Помощь по сайту
Новости
zapros.by@autopiter.com
Контакты
Все категории
Каталоги запчастей
Минск
Вход
Корзина
Все категории
Каталоги запчастей
Фильтры Hebel Kraft
Оригинальные каталоги по VIN
Каталог мировых брендов
Запчасти ВАЗ, ГАЗ, КАМАЗ
Запчасти для ТО
Для спецтехники
Запчасти на ВАЗ, ГАЗ, Камаз и т.д.
DongFeng
304EC
304EC
304ec
Поиск деталей
Например:
Throttle Control Mechanism
Clutch
Frame
Drive Wheel
Clevis Type
Transmission
Full Hydraulic Power Steering Gear
PTO
Brake
Seat
Hood and Panel
Electrical System
Toolbox
Fuel Tank
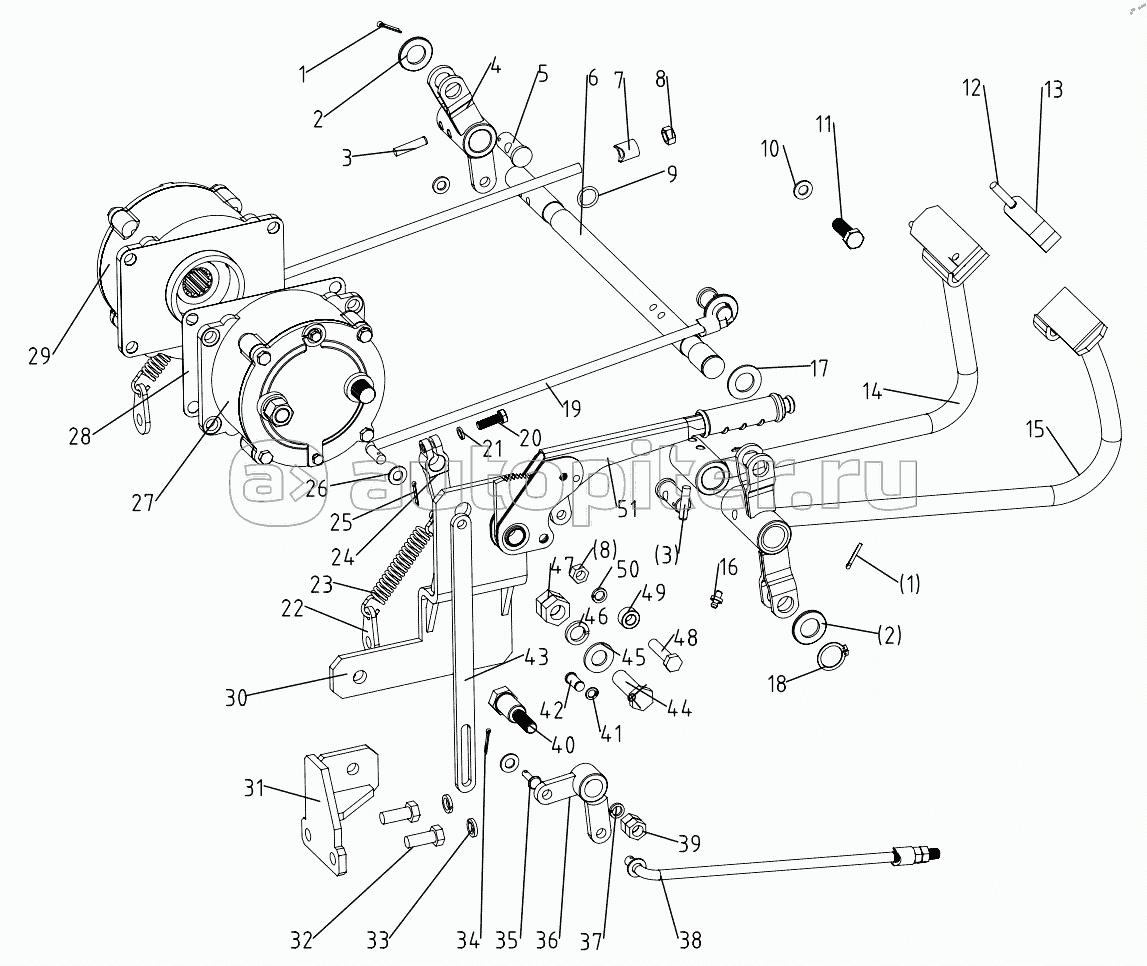
Suspension Mechanism
Hydraulic
Front Wheel Drive Axle
Air Filter, Radiator
Exhaust pipe
Sandwich Multiole Control Valve
Front Balance Weight
Tractor Drawbar
Engine
Shoe Brake operation mechanism
Shoe Brake