DFL-4251A8-T31R-931-02dfl-4251a8-t31r-931-02
Поиск деталей
Например: T31R-EN-01 Engine Assembly
Engine AssemblyEngine Assembly 2Engine System PartClutch, Transmission, Driving Shaft PartsVehicle Frame Suspension PartsFront and Rear Axles PartsWheel, Steering and BrakeElectrical Appliances and ToolsCabCab 2Cab 3Cab 4Cab 5

T31R-WS-01 Wheel Assembly Group

T31R-WS-02 Extended Valve Nozzle

T31R-WS-03 Front Wheel Nut Grou

T31R-WS-04 Rear Wheel Nut Group

T31R-WS-05 Spare Tyre Carrie

T31R-WS-06 Wheel Decoration Cover

T31R-ST-01 Steering Gear Group

T31R-ST-02 Steering Gear Installation

T31R-ST-03 Power Steering Pipeline

T31R-ST-04 Power Steering Oil Reservoir

T31R-ST-05 Steering Tie Rod Group

T31R-ST-06 Pitman Arm Group

T31R-BS-01 Clutch System Steel Pipe, Complete Vehicle

T31R-BS-02 Control Line Of Axial Differential Lock

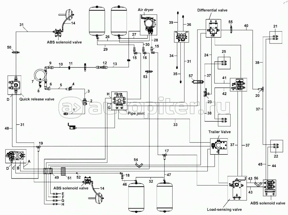
T31R-BS-03 Air Brake Pipeline Diagram

T31R-BS-04 Front Air Reservoir Group

T31R-BS-05 Rear Air Reservoir Group

T31R-BS-06 Separating Switch And Joint

T31R-BS-07 Trailer Valve

T31R-BS-08 Pipe Joint

T31R-BS-09 Differential Valve

T31R-BS-10 Quick Release Valve

T31R-BS-11 Exhaust Brake Group

T31R-BS-12 Load-sensing Valve Group

T31R-BS-13 Link Mechanism Of Load Sensing Valve Group

T31R-BS-14 Air Dryer Group

T31R-BS-15 Front ABS Device

T31R-BS-16 Rear ABS Device