To content
Помощь по сайту
Новости
zapros.by@autopiter.com
Контакты
Страна: Беларусь
Выберите язык
Ru — Русский
En — English
De — Deutsch
Pl — Polski
Все категории
Каталоги запчастей
Минск
Вход
Корзина
Все категории
Каталоги запчастей
Фильтры Hebel Kraft
Оригинальные каталоги по VIN
Каталог мировых брендов
Запчасти ВАЗ, ГАЗ, КАМАЗ
Запчасти для ТО
Для спецтехники
Запчасти на ВАЗ, ГАЗ, Камаз и т.д.
Doosan
Мини-погрузчик 430 Plus
Мини-погрузчик 430 Plus
mini-pogruzchik-430-plus
Поиск деталей
Например:
1160 Кабина
Кузов
Кабина
Внутренняя часть кабины
Основные элементы кабины
Двери и окна
Элементы облицовочные
Вентиляция и отопление
Двигатель
Двигатель
Система питания
Система выпуска отработавших газов
Система охлаждения
Ходовая часть
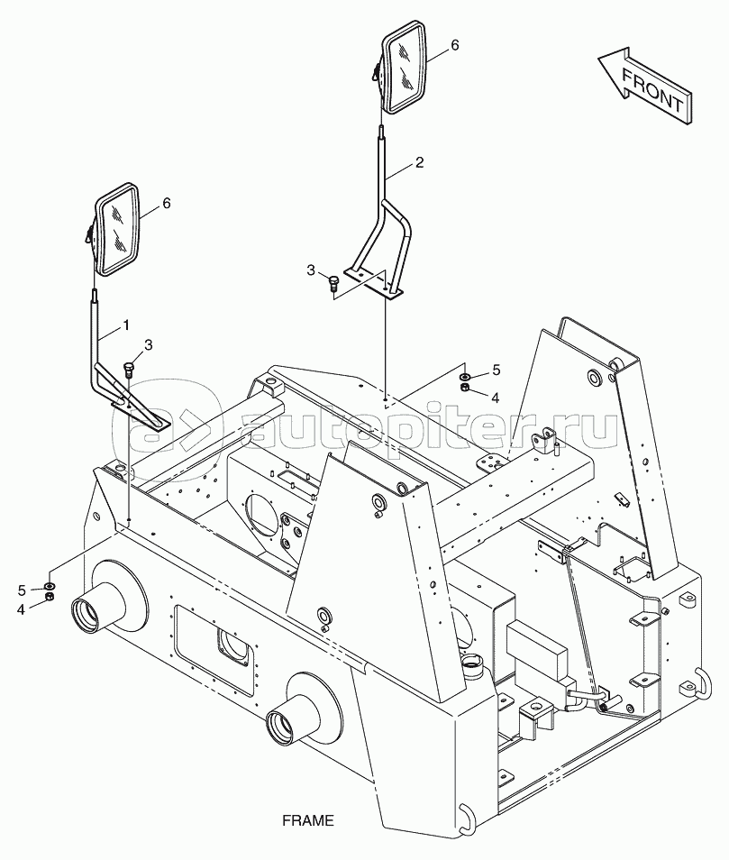
Рама
Колеса
Механизмы управления
Управление
Тормоза
Гидросистема
Гидрооборудование
Электрооборудование
Электрооборудование
Жгуты проводов
Дополнительное оборудование
Привод оборудования
Рабочее оборудование
1160 Кабина
1190 Зеркало
6330 Зеркала боковые