To content
Помощь по сайту
Новости
zapros.by@autopiter.com
Контакты
Страна: Беларусь
Выберите язык
Ru — Русский
En — English
De — Deutsch
Pl — Polski
Все категории
Каталоги запчастей
Минск
Вход
Корзина
Все категории
Каталоги запчастей
Фильтры Hebel Kraft
Оригинальные каталоги по VIN
Каталог мировых брендов
Запчасти ВАЗ, ГАЗ, КАМАЗ
Запчасти для ТО
Для спецтехники
Запчасти на ВАЗ, ГАЗ, Камаз и т.д.
FAW
CA-3312 (P2K2B2T4A2Z)
CA-3312 (P2K2B2T4A2Z)
ca-3312-p2k2b2t4a2z
Поиск деталей
Например:
Передняя подвеска кабины
Кузов
Кабина
Двери
Сиденья
Вентиляция и отопление
Принадлежности
Дополнительное оборудование
Двигатель
Двигатель
Система питания
Система выпуска
Система охлаждения
Трансмиссия
Сцепление
Коробка передач
Карданные валы
Мосты
Ходовая часть
Рама
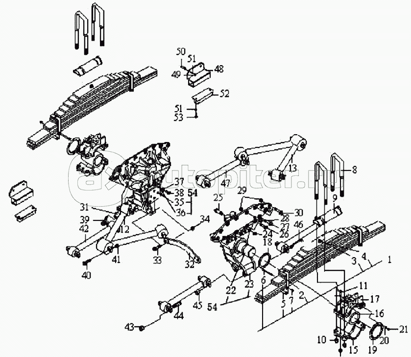
Подвеска
Ось передняя
Колеса
Механизмы управления
Рулевое управление
Тормоза
Электрооборудование
Приборы и датчики
Электрооборудование
Приложение
Сопроводительные инструменты
Передняя подвеска
Задняя подвеска