To content
Помощь по сайту
Новости
zapros.by@autopiter.com
Контакты
Страна: Беларусь
Выберите язык
Ru — Русский
En — English
De — Deutsch
Pl — Polski
Все категории
Каталоги запчастей
Минск
Вход
Корзина
Все категории
Каталоги запчастей
Фильтры Hebel Kraft
Оригинальные каталоги по VIN
Каталог мировых брендов
Запчасти ВАЗ, ГАЗ, КАМАЗ
Запчасти для ТО
Для спецтехники
Запчасти на ВАЗ, ГАЗ, Камаз и т.д.
ГАЗ
ГАЗ-21
ГАЗ-21
gaz-21
Поиск деталей
Например:
Кожух пола
Кузов
Пол кузова
Окно ветровое и заднее
Задок кузова
Дверь передняя
Дверь задняя
Сиденья
Вентиляция и отопление
Капот, крылья, облицовка радиатора
Двигатель
Двигатель
Система питания
Система выпуска отработанных газов
Система охлаждения
Трансмиссия
Сцепление
Коробка передач
Передача карданная
Мост задний
Ходовая часть
Рама, бамперы и брызговики двигателя
Подвеска
Ось передняя
Колеса
Механизмы управления
Управление рулевое
Тормоза
Электрооборудование
Электрооборудование
Приборы и датчики
Радиооборудование
Дополнительное оборудование
Коробка отбора мощности
Принадлежности
Инструменты и принадлежности
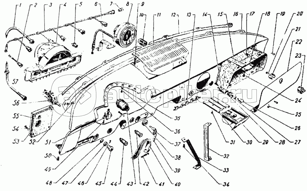
Панель приборов
Таксометр