ГАЗ-3102gaz-3102
Поиск деталей
Например: Пол, кожухи пола, коврики пола

Подвеска двигателя, рама и брызговик двигателя

Блок и головка цилиндров двигателя

Поршни, шатуны, вал коленчатый и маховик двигателя

Вал распределительный и газопровод

Клапаны и толкатели клапанов двигателя

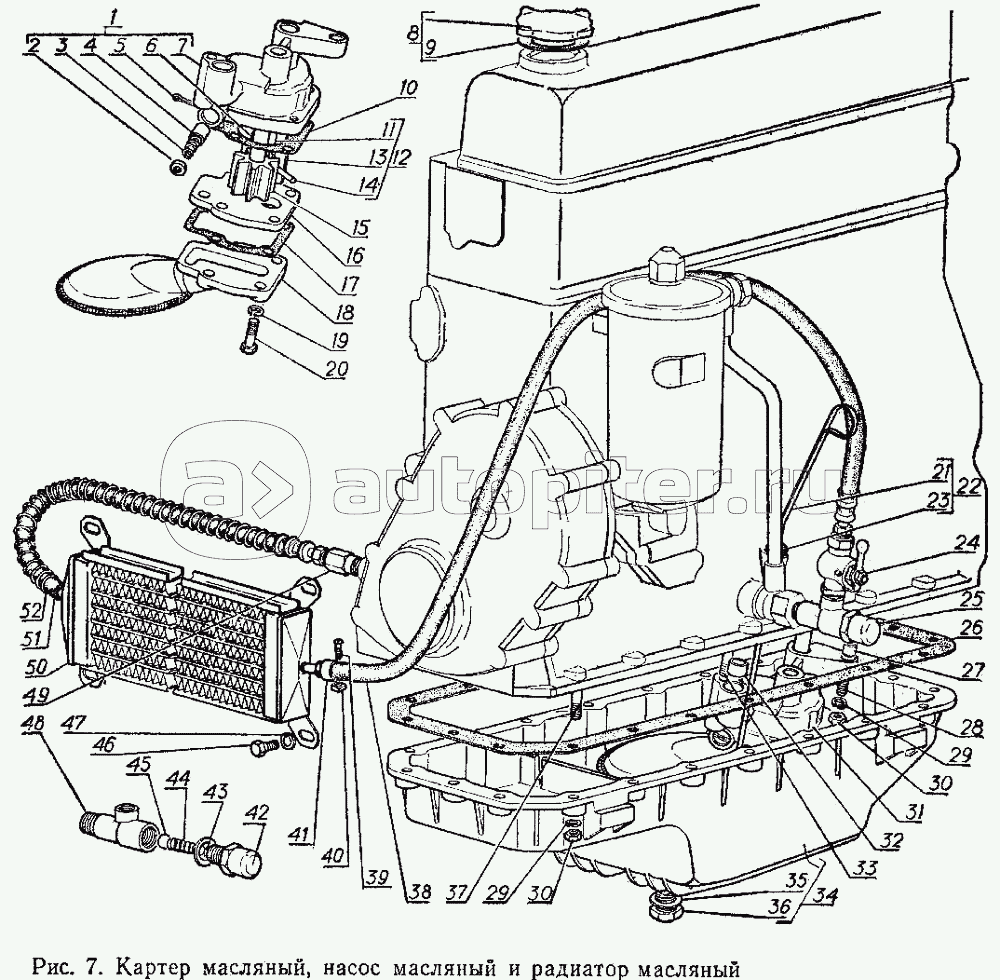
Картер масляный, насос масляный и радиатор масляный

Привод распределителя зажигания, фильтр масляный и крепление масляного фильтра