To content
Помощь по сайту
Новости
zapros.by@autopiter.com
Контакты
Страна: Беларусь
Выберите язык
Ru — Русский
En — English
De — Deutsch
Pl — Polski
Все категории
Каталоги запчастей
Минск
Вход
Корзина
Все категории
Каталоги запчастей
Фильтры Hebel Kraft
Оригинальные каталоги по VIN
Каталог мировых брендов
Запчасти ВАЗ, ГАЗ, КАМАЗ
Запчасти для ТО
Для спецтехники
Запчасти на ВАЗ, ГАЗ, Камаз и т.д.
ГАЗ
ГАЗ-3221
ГАЗ-3221
gaz-3221
Поиск деталей
Например:
Коврик пола салона, настил подножки боковой двери, стол
Кузов
Кузов
Пол кузова
Боковина кузова
Крыша кузова
Сиденья
Перегородка кузова
Вентиляция и отопление
Принадлежности
Трансмиссия
Сцепление
Ходовая часть
Рама, бамперы и брызговики двигателя
Подвеска
Механизмы управления
Тормоза
Электрооборудование
Электрооборудование
Приборы и датчики
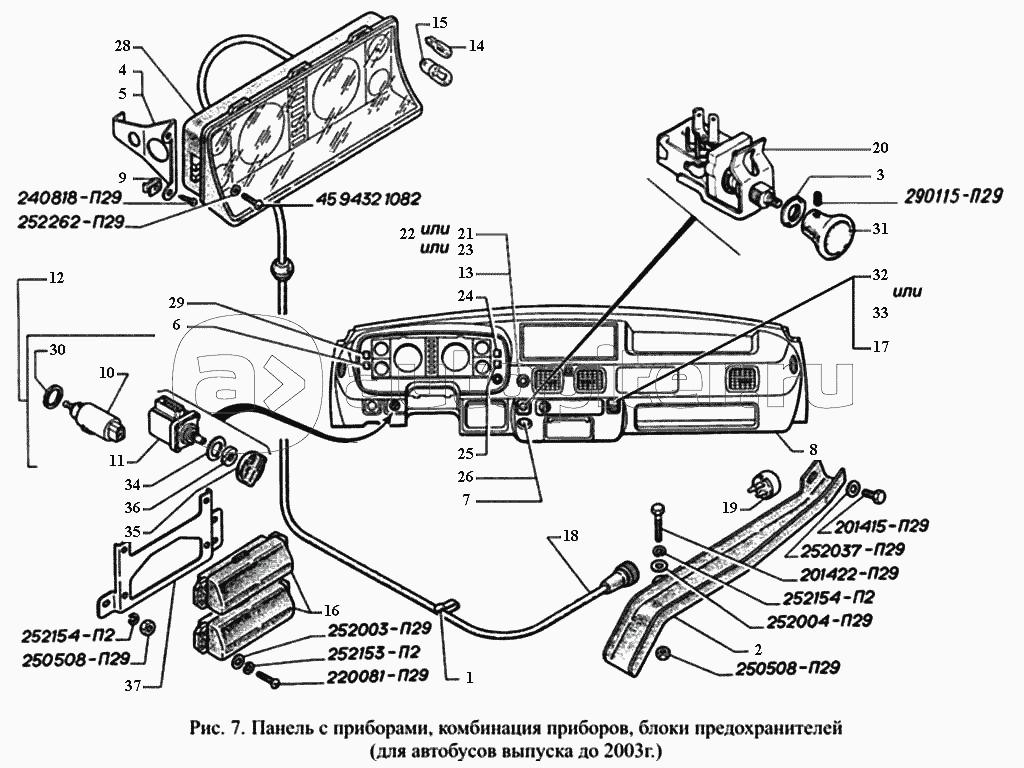
Панель с приборами, комбинация приборов, блоки предохранителей (для автобусов выпуска до 2003 г.)