To content
Помощь по сайту
Новости
zapros.by@autopiter.com
Контакты
Страна: Беларусь
Выберите язык
Ru — Русский
En — English
De — Deutsch
Pl — Polski
Все категории
Каталоги запчастей
Минск
Вход
Корзина
Все категории
Каталоги запчастей
Фильтры Hebel Kraft
Оригинальные каталоги по VIN
Каталог мировых брендов
Запчасти ВАЗ, ГАЗ, КАМАЗ
Запчасти для ТО
Для спецтехники
Запчасти на ВАЗ, ГАЗ, Камаз и т.д.
ГАЗ
ГАЗ-53 А
ГАЗ-53 А
gaz-53-a
Поиск деталей
Например:
Кабина
Кузов
Кабина
Окно ветровое и заднее
Дверь передняя
Сиденья
Вентиляция и отопление
Принадлежности
Капот, крылья, облицовка радиатора
Платформа
Двигатель
Двигатель
Система питания
Система выпуска отработанных газов
Система охлаждения
Трансмиссия
Сцепление
Коробка передач
Передача карданная
Мост задний
Ходовая часть
Рама, бамперы и брызговики двигателя
Подвеска
Ось передняя
Колеса
Механизмы управления
Управление рулевое
Тормоза
Электрооборудование
Электрооборудование
Приборы и датчики
Принадлежности
Инструмент и принадлежности
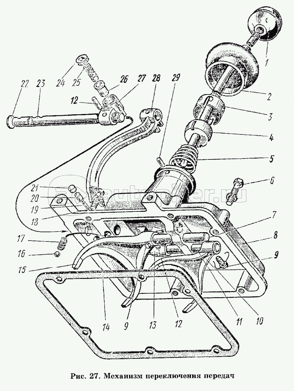
Коробка передач
Механизм переключения передач