ГАЗель, Соболь (2003)gazel-sobol-2003
Поиск деталей
Например: Панель приборов, комбинация приборов

Детали корпуса отопителя

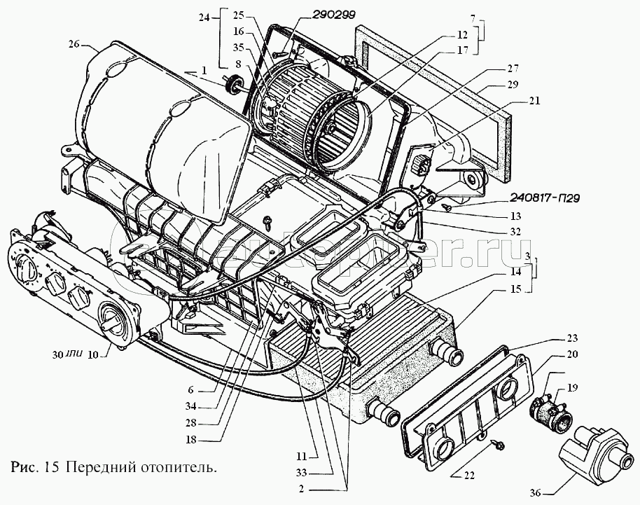
Передний отопитель

Трубопроводы заднего отопителя: I-автобусов "ГАЗель" и "Соболь", II-автобусов "Соболь" на 6 мест

Трубопроводы отопителя автомобилей: I-с дв. ЗМЗ-406, II-с дв. ГАЗ-560, III-с дв. ЗМЗ-402, IV-переднего отопителя (автомобилей с двумя отопителями)

Установка отопителя