КВК-800-8 ПАЛЕССЕ FS80-8kvk-800-8-palesse-fs80-8
Поиск деталей
Например: Измельчитель самоходный КВС-8-0100000
Измельчитель самоходныйАппарат питающе-измельчающийУстановка двигателяШасси и трансмиссияПлощадка управленияУстановка капотовУстановка редуктора привода насосовГидросистемаУстановка электрооборудования

Установка двигателя КВС-8-0150000

Установка двигателя КВС-8-0150000

Установка двигателя КВС-8-0150000

Установка муфты КВС-8-0150040

Установка сливных рукавов КВС-8-0150260

Установка труб КВС-8-0150300

Маслопровод КВС-8-0150500

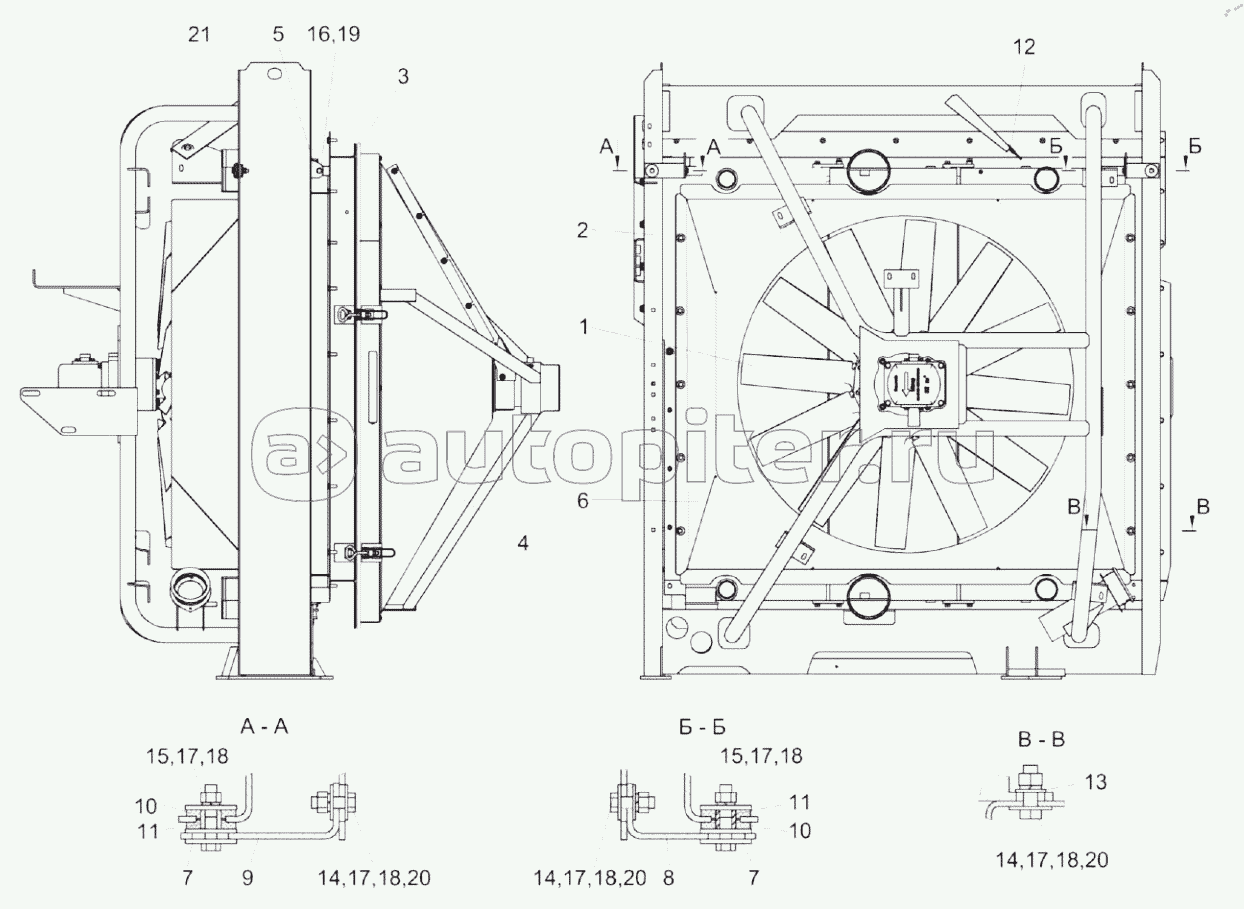
Установка блока радиаторов КВС-8-0152000

Установка блока радиаторов КВС-8-0152000

Установка вентилятора КВС-8-0152010

Гидромотор КВС-6-0152020

Привод вентилятора КВС-6-0152030

Воздухозаборник КВС-5-0155000

Воздухозаборник КВС-5-0155000

Гидромотор воздухозаборника КВС-5-0602100

Установка бачка расширительного КВС-8-0154000

Установка щитов КВС-8-0156000

Установка глушителя КВС-8-0157000

Привод компрессора кондиционера КВС-8-0121030

Компрессор КВС-1-0150630-01

Установка крана КВС-8-0121050

Гидронасос привода вентилятора КВС-8-0608100

Главный привод КВС-2-0151000Г

Корпус КВС-2-0151010А

Механизм нажимной КВК 0151040

Стакан КВС-1-0151070

Амортизатор КЗК-10-0106160

Привод гидростата КВС-8-0133000

Рычаг КВС-8-0133020

Опора КВС-8-0133420

Пружина КЗС 0100650

Установка аккумуляторов КВС-2-0101020

Установка топливного оборудования КВС-8-0103000

Установка топливного оборудования КВС-8-0103000

Установка топливного оборудования КВС-8-0103000