To content
Помощь по сайту
Новости
zapros.by@autopiter.com
Контакты
Все категории
Каталоги запчастей
Минск
Вход
Корзина
Все категории
Каталоги запчастей
Фильтры Hebel Kraft
Оригинальные каталоги по VIN
Каталог мировых брендов
Запчасти ВАЗ, ГАЗ, КАМАЗ
Запчасти для ТО
Запчасти на ВАЗ, ГАЗ, Камаз и т.д.
Гомсельмаш
КЗС-10К Палессе GS10
КЗС-10К Палессе GS10
kzs-10k-palesse-gs10-2464
Поиск деталей
Например:
Комбайн зерноуборочный самоходный КЗС-10К ПАЛЕССЕ GS10
КЗС-10К ПАЛЕССЕ GS10
Молотилка самоходная
Шасси
Коробка диапазонов
Мост управляемых колес
Устройство тяговое и прицепное
Колеса
Бункер
Элеватор зерновой
Соломоизмельчитель
Двигатель
Вентилятор
Капоты
Площадка управления
Кабина
Гидросистема
Мост управляемых колес КЗК-10-0109300 (лист 1)
Мост управляемых колес КЗК-10-0109300 (лист 2)
Гидроцилиндр УЭС-7-0109100
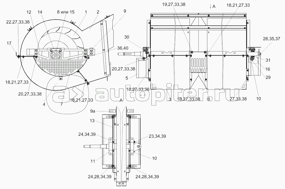
Вентилятор КЗК-10-0217000
Крылач КЗК-10-0217020
Кожух сдвоенный КЗК-10-0217100
Блок шнеков КЗК-10-0218010А