КЗС-4118К ПАЛЕССЕ GS 4118kzs-4118k-palesse-gs-4118
Поиск деталей
Комбайн зерноуборочный самоходный КЗС-4118КМолотилка самоходнаяКамера наклоннаяОчисткаАппарат молотильныйШасси, трансмиссияБлок шнековУстройство тяговое и прицепноеЭлеватор зерновойУстановка соломоизмельчителяУстановка двигателяПлощадка управленияКабинаУстановка капотов, ограждений, трапа, крыши, бампераГидросистемаЭлектрооборудованиеПневмосистема

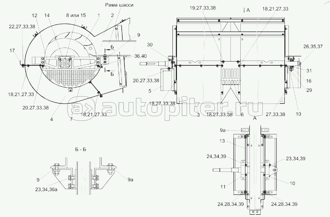
Шасси. Установка колес.

Мост ведущих колес КЗК-12-0107500

Редуктор бортовой КЗК-10-0107200

Редуктор бортовой КЗК-10-0107200

Редуктор бортовой КЗК-10-0107200-04

Редуктор бортовой КЗК-10-0107200-04

Диски нажимные МК-23М.03.030А

Водило КЗК-10-0107210

Колесо зубчатое МК-23 М.03.210

Гидроцилиндр тормоза МК-23М.03.220А

Коробка передач КЗК-12-0107530 (корпус, крышки)

Коробка передач КЗК-12-0107530 (валы, шестерни)

Дифференциал КЗК-12-0107540

Механизм переключения передач КЗК-12-0107560

Гидроцилиндр блокировки диапазонов 3518020-46330

Муфта КВС-1-0107050

Муфта КВС-1-0107060

Мост управляемых колёс КЗК-3219-0109000

Мост управляемых колёс КЗК-3219-0109000

Гидроцилиндр УЭС-7-0109200

Вентилятор КЗК-10-0217000

Крылач КЗК-10-0217020А

Кожух сдвоенный КЗК-10-0217100