R210W-9r210w-9
Поиск деталей
Например: ENGINE MOUNTING
Система двигателяЭлектрооборудованиеГидравлическая системаКомпоненты гидравликиТрансмиссияSTRUCTUREATTACHMENTOTHERSENGENE BASEENGENE BASE

MAIN PUMP (1/2)

MAIN PUMP (2/2)

REGULATOR

GEAR PUMP

EPPR VALVE

MAIN CONTROL VALVE (1/4)

MAIN CONTROL VALVE (2/4)

MAIN CONTROL VALVE (3/4)

MAIN CONTROL VALVE (4/4)

SWING MOTOR (TYPE 1)

SWING REDUCTION GEAR (TYPE 1)

SWING MOTOR (TYPE 2, 3)

SWING REDUCTION GEAR (TYPE 2, 3)

REMOTE CONTROL LEVER (TYPE 1, 2)

REMOTE CONTROL LEVER (TYPE 3, -#0349)

REMOTE CONTROL LEVER (TYPE 4, -#0406)

REMOTE CONTROL LEVER (TYPE 4, #0407-)

REMOTE CONTROL LEVER (TYPE 5)

REMOTE CONTROL LEVER (TYPE 6)

REMOTE CONTROL LEVER (TYPE 7)

DOZER CONTROL LEVER

ACCELERATOR PEDAL (STD)

ACCELERATOR PEDAL (2 WAY, OPT)

TRAVEL MOTOR (1/2)

TRAVEL MOTOR (2/2, -#0417)

TRAVEL MOTOR (2/2, #0418-)

COUNTER BALANCE VALVE

TURNING JOINT (-#0285)

TURNING JOINT SUB ASSY (-#0285)

TURNING JOINT (#0286-)

TURNING JOINT SUB ASSY (#0286-)

BOOM CYLINDER

BOOM SAFETY LOCK CYLINDER (ADJUST BOOM)

ARM CYLINDER

BUCKET CYLINDER

DOZER BLADE CYLINDER

OUTRIGGER CYLINDER

ADJUST CYLINDER

SOLENOID VALVE (-#0184)

SOLENOID VALVE (#0185-)

STEERING VALVE

TRAVEL CONTROL VALVE

BRAKE SUPPLY VALVE

BRAKE VALVE

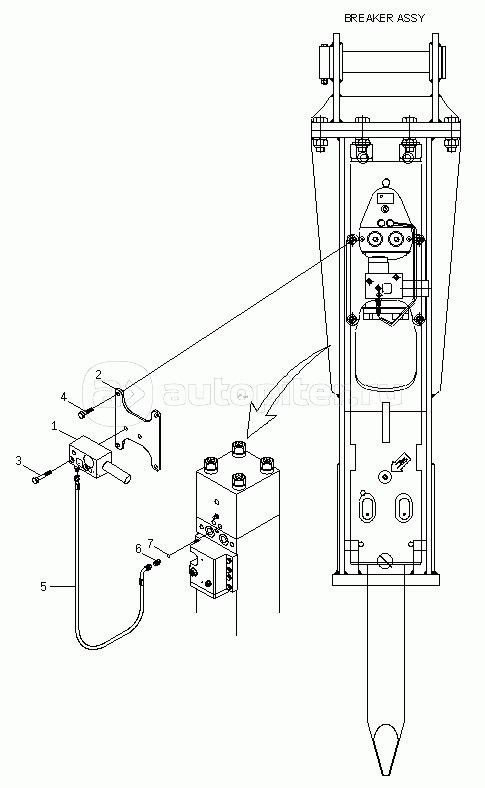
BREAKER ASSY (1/3)

BREAKER ASSY (2/3)

BREAKER ASSY (3/3)

BREAKER AUTO GREASE UNIT (OPT)

BREAKER CENTRAL GREASE SUPPLY UNIT (OPT)