43253 (Часть-2)43253-chast-2
Поиск деталей

43253-3700001-24 Электрооборудование. Расположение на автомобиле

43255-3700001-18 Электрооборудование. Расположение на автомобиле

53215-3703001-88 Установка аккумуляторных батарей

43253-3703001-35 Установка аккумуляторных батарей

4308-3710004-30 Установка выключателя аккумуляторной батареи

53215-3709002 Установка подрулевого переключателя

53605-3710001-20 Установка выключателей

65115-3710001-80 Установка выключателей

53215-3710428-85 Панель выключателей

54115-3710428-50 Панель выключателей

53205-3711001 Установка фар и передних указателей поворота

53215-3711001 Установка фар и передних указателей поворота

53205-3714001-10 Установка плафонов

53205-3714003 Установка плафона освещения вещевого ящика

5320-3715001 Установка подкапотной лампы

53215-3716002 Установка задних фонарей

53215-3718001 -85 Установка электромеханического корректора

5320-3721001-10 Установка звуковых электрических сигналов

4308-3722001-30 Установка предохранителей

53602-3722002 Установка блока предохранителей

53205-3722501-10 Установка предохранителей

53205-3723005 Установка розетки переносной лампы

53215-3726001 Установка бокового повторителя указателя поворота

53215-3726002 Установка прерывателя указателей поворота

54115-3731001 Установка боковых габаритных фонарей на переднем крыле

4326-3731001 Установка боковых габаритных фонарей

53215-3731002 Установка задних контурных фонарей

43118-3731002-85 Установка боковых габаритных фонарей

5320-3737001-01 Установка малогабаритного выключателя массы

5425-3738002 Установка габаритных фонарей

65115-3741008 Установка оборудования обогрева зеркал

4308-3747001-50 Установка реле

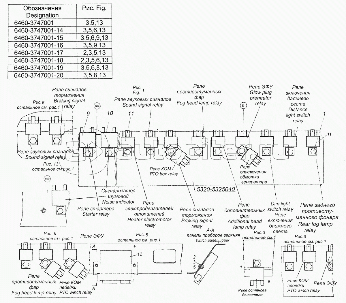
6460-3747001 Установка реле

6460-3747001-50 Установка реле

6460-3747195 Установка электронного реле стартера

7406.3701002-30 Установка генератора

740.13-3708005 Установка стартера

53205-3741001 Установка электрооборудования подогревателя

53205-3741001-20 Установка электрооборудования подогревателя ПЖД-12

53205-3741001-50 Установка электрооборудования подогревателя

65228-3741001 Установка электрооборудования подогревателя

65115-3741001 Установка электрооборудования подогревателя

65115-3741004-40 Установка электрооборудования системы подогрева топлива

65115-3741300 Установка контактора подогревателя воздуха

53215-3759001 Установка преобразователя напряжения

65115-3741300-01 Установка контактора подогревателя воздуха

6460-3731001-30 Установка боковых габаритных фонарей на переднем крыле

5480-3726001 Установка бокового повторителя указателя поворота