64606460
Поиск деталей
Например: Кабина с дверями окрашенная

Установка турбокомпрессора

Установка воздушного фильтра

Установка воздухозаборника

Фильтр воздушный в сборе

Установка топливопроводов

Фильтр тонкой очистки топлива

Клапан в сборе

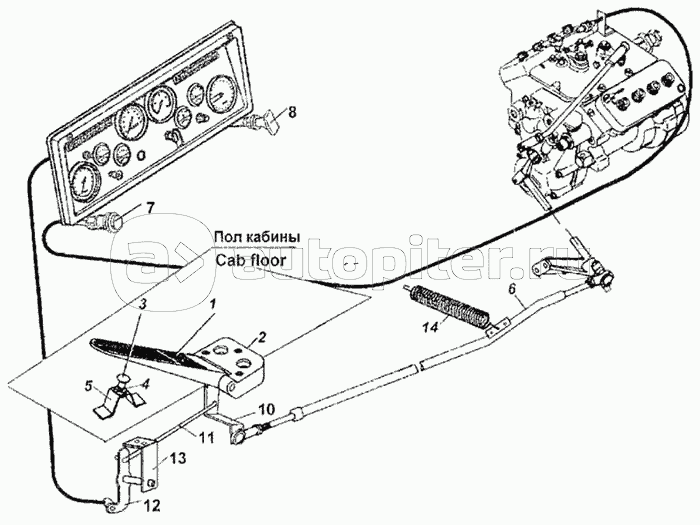
Привод управления регулятором

Кронштейн с валом привода

Кронштейн вала привода

Тяга привода управления регулятором

Установка и привод ТНВД

Вал привода ТНВД

Насос топливный высокого давления

Насос топливный высокого давления

Топливный насос низкого давления

Крышка регулятора верхняя в сборе

Державка грузов регулятора

Рычаг регулятора

Корректор подачи топлива по наддуву

Секция топливного насоса

Установка форсунки

Форсунка

Установка топливопроводов

Установка тройника

Установка топливных баков, ФГОТ и топливопроводов

Установка управления подачи топлива

Установка системы впуска

Установка системы ОВН