To content
Помощь по сайту
Новости
zapros.by@autopiter.com
Контакты
Все категории
Каталоги запчастей
Минск
Вход
Корзина
Все категории
Каталоги запчастей
Фильтры Hebel Kraft
Оригинальные каталоги по VIN
Каталог мировых брендов
Запчасти ВАЗ, ГАЗ, КАМАЗ
Запчасти для ТО
Для спецтехники
Запчасти на ВАЗ, ГАЗ, Камаз и т.д.
КрАЗ
КрАЗ-250
КрАЗ-250
kraz-250
Поиск деталей
Например:
Кабина
Кузов
Кузов
Окно ветровое и заднее
Дверь передняя
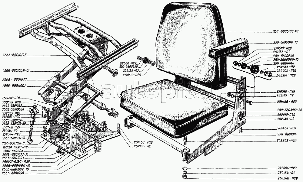
Сиденья
Вентиляция и отопление
Принадлежности
Капот, крылья, облицовка радиатора
Платформа
Двигатель
Двигатель
Система питания
Система выпуска отработанных газов
Система охлаждения
Трансмиссия
Сцепление
Коробка раздаточная
Передача карданная
Мосты задний и средний
Ходовая часть
Рама, бамперы и брызговики двигателя
Подвеска
Ось передняя
Колеса
Механизмы управления
Управление рулевое
Тормоза
Электрооборудование
Электрооборудование
Приборы и датчики
Дополнительное оборудование
Устройство седельное
Принадлежности
Инструмент и принадлежности
Сиденье водителя в сборе