КрАЗ-64372, 6133М6kraz-64372-6133m6
Поиск деталей
КрАЗ-64372 и 6133М6Приложение

Привод управления подачей топлива и остановом двигателя

Система выпуска отработавших газов

Рычаг переключения передач, кран управления

Воздухопроводы к потребителям

Коники, ограждение кабины и панели площадки сортиментовоза

Коник, буксирная рамка и панели площадки

Рама

Установка запасного колеса

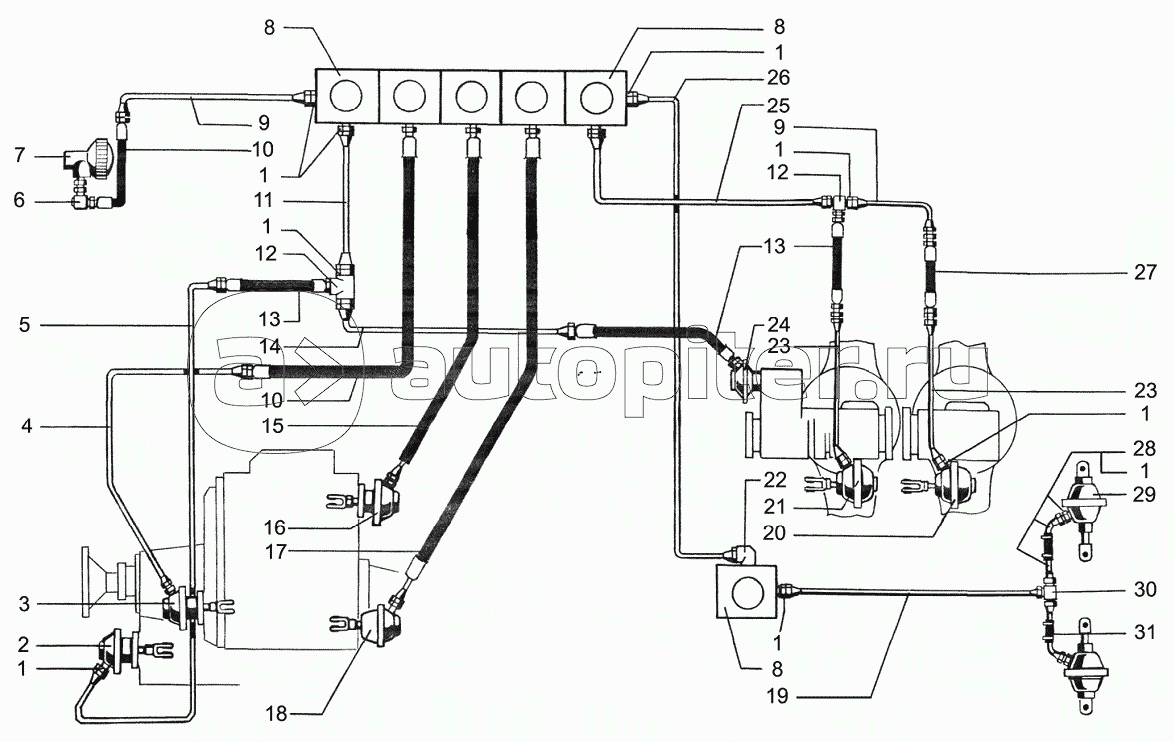
Воздухопроводы и аппараты тормозной системы

Схема электрооборудования