To content
Помощь по сайту
Новости
zapros.by@autopiter.com
Контакты
Все категории
Каталоги запчастей
Минск
Вход
Корзина
Все категории
Каталоги запчастей
Фильтры Hebel Kraft
Оригинальные каталоги по VIN
Каталог мировых брендов
Запчасти ВАЗ, ГАЗ, КАМАЗ
Запчасти для ТО
Для спецтехники
Запчасти на ВАЗ, ГАЗ, Камаз и т.д.
КрАЗ
КрАЗ-65055
КрАЗ-65055
kraz-65055
Поиск деталей
Например:
Кабина в сборе и крепление кабины
Кузов
Кузов
Окно ветровое и заднее
Дверь передняя
Сиденья
Вентиляция и отопление
Принадлежности
Капот, крылья, облицовка радиатора
Платформа
Устройство подъемное и опрокидывающее платформы
Двигатель
Двигатель
Система питания
Система выпуска отработанных газов
Система охлаждения
Трансмиссия
Сцепление
Коробка передач
Передача карданная
Мосты задний и средний
Ходовая часть
Рама, бамперы и брызговики двигателя
Подвеска
Ось передняя
Колеса
Механизмы управления
Управление рулевое
Тормоза
Электрооборудование
Электрооборудование
Приборы и датчики
Дополнительное оборудование
Устройство седельное
Коробка отбора мощности
Аккумуляторные батареи и выключатель массы
Аккумуляторные батареи и выключатель массы
Приборы световые передние
Приборы световые задние
Сигнал звуковой
Фара-прожектор
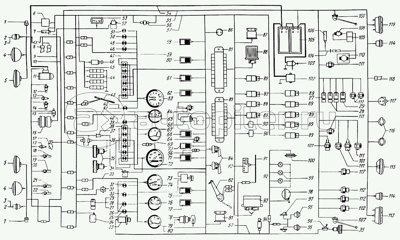
Схема электрооборудования