To content
Помощь по сайту
Новости
zapros.by@autopiter.com
Контакты
Все категории
Каталоги запчастей
Минск
Вход
Корзина
Все категории
Каталоги запчастей
Фильтры Hebel Kraft
Оригинальные каталоги по VIN
Каталог мировых брендов
Запчасти ВАЗ, ГАЗ, КАМАЗ
Запчасти для ТО
Запчасти на ВАЗ, ГАЗ, Камаз и т.д.
Lemken
EurOpal 5
EurOpal 5
europal-5
Поиск деталей
Например:
EurOpal 5
EurOpal 5
Lower link connection
Basic frame
Skim stalk
Depth wheel
Carrier for light
Disc coulter
HY
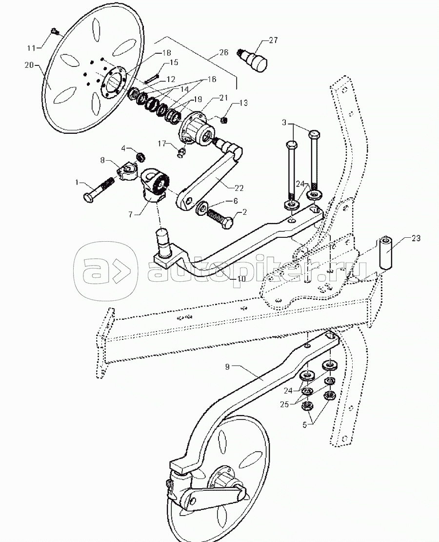
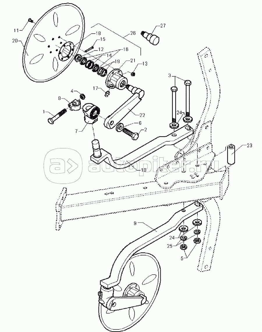
Disc coulter E5/6 D500 A Z-Z40
Disc coulter E5/6 D500 A G-Z40
Disc coulter E5/6 D500-M G-40Z
Disc coulter E5/6 D500-M Z-40Z
Headland attachment disc GPS-E5/6-D530
Attachment arm E1V
Attachment arm E2V