To content
Помощь по сайту
Новости
zapros.by@autopiter.com
Контакты
Все категории
Каталоги запчастей
Минск
Вход
Корзина
Все категории
Каталоги запчастей
Фильтры Hebel Kraft
Оригинальные каталоги по VIN
Каталог мировых брендов
Запчасти ВАЗ, ГАЗ, КАМАЗ
Запчасти для ТО
Для спецтехники
Запчасти на ВАЗ, ГАЗ, Камаз и т.д.
Lemken
EurOpal 5HX
EurOpal 5HX
europal-5hx
Поиск деталей
Например:
EurOpal 5 HX
EurOpal 5 HX
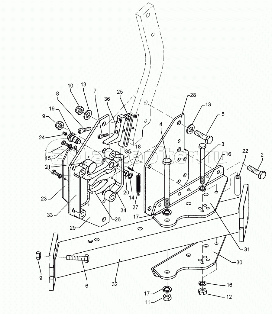
Lower link connection
Basic frame
Skim stalk
Wheel
Carrier
Disc coulter
Headland attachment disc
Attachment arm
Bracket
HY-assembly attachment arm
HY-frame swing
HY-front furrow adjustment
HY-turnover device
Basic frame E5-110-2-900 HX
Basic frame E5-110-2-1000 HX
Basic frame E5-110-3-900 HX
Basic frame E5-110-3-1000 HX
Frame extension E5/6-HX-110