To content
Помощь по сайту
Новости
zapros.by@autopiter.com
Контакты
Все категории
Каталоги запчастей
Минск
Вход
Корзина
Все категории
Каталоги запчастей
Фильтры Hebel Kraft
Оригинальные каталоги по VIN
Каталог мировых брендов
Запчасти ВАЗ, ГАЗ, КАМАЗ
Запчасти для ТО
Для спецтехники
Запчасти на ВАЗ, ГАЗ, Камаз и т.д.
МАЗ
МАЗ-54326
МАЗ-54326
maz-54326
Поиск деталей
Например:
Седельный тягач МАЗ-54326
Кузов
Кабина
Двери
Сидения
Оборудование специализированное
Вентиляция и отопление
Капот, крылья, облицовка радиатора (оперение)
Двигатель
Двигатель
Система питания
Система выпуска отработавших газов
Система охлаждения
Трансмиссия
Сцепление
Коробка передач
Карданная передача
Мосты
Ходовая часть
Рама, бамперы и брызговики двигателя
Подвеска
Ось передняя
Колеса
Механизмы управления
Рулевое управление
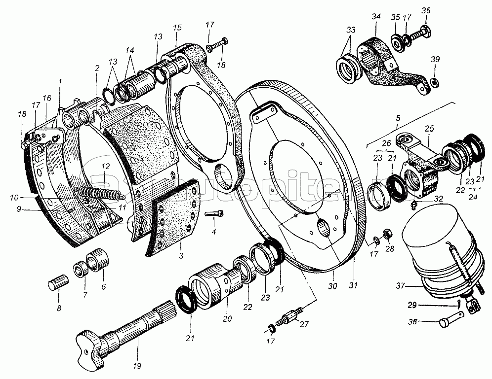
Тормоза
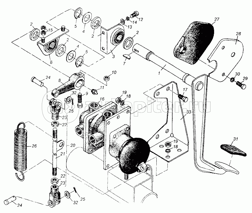
Пневмосистема
Электрооборудование
Электрооборудование
Приборы и датчики
Приложение
Общий вид
Привод тормозного крана
Рычаги регулировочные
Привод тормозов среднего моста
Тормозной механизм передних колес
Тормозной механизм заднего колеса