To content
Помощь по сайту
Новости
zapros.by@autopiter.com
Контакты
Все категории
Каталоги запчастей
Минск
Вход
Корзина
Все категории
Каталоги запчастей
Фильтры Hebel Kraft
Оригинальные каталоги по VIN
Каталог мировых брендов
Запчасти ВАЗ, ГАЗ, КАМАЗ
Запчасти для ТО
Для спецтехники
Запчасти на ВАЗ, ГАЗ, Камаз и т.д.
МАЗ
МАЗ-5433
МАЗ-5433
maz-5433
Поиск деталей
Например:
Кабина и ее установка
Кузов
Кузов
Вентиляция и отопление
Устройство подъемное и опрокидывающее платформы
Двигатель
Двигатель
Система питания
Система выпуска отработанных газов
Система охлаждения
Трансмиссия
Сцепление
Коробка передач
Передача карданная
Мост задний
Ходовая часть
Подвеска
Ось передняя
Механизмы управления
Управление рулевое
Тормоза
Электрооборудование
Электрооборудование
Дополнительное оборудование
Устройство седельное
Коробка отбора мощности
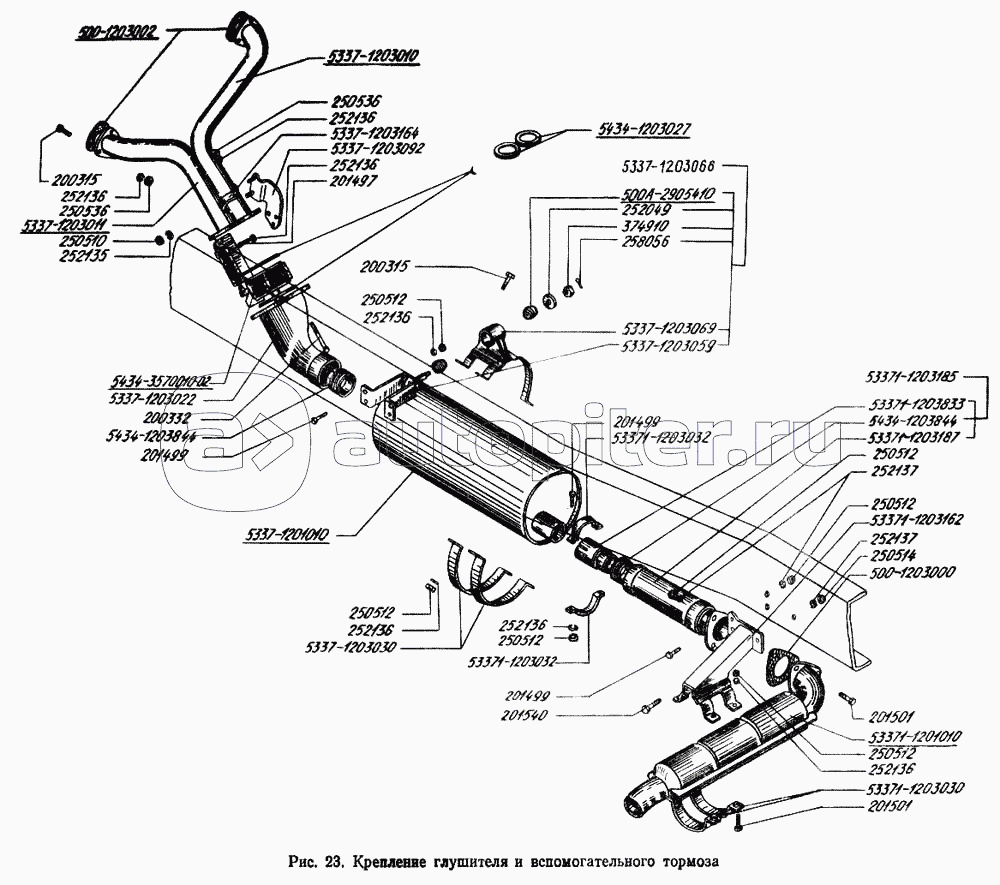
Крепление глушителя и вспомогательного тормоза