To content
Помощь по сайту
Новости
zapros.by@autopiter.com
Контакты
Страна: Беларусь
Выберите язык
Ru — Русский
En — English
De — Deutsch
Pl — Polski
Все категории
Каталоги запчастей
Минск
Вход
Корзина
Все категории
Каталоги запчастей
Фильтры Hebel Kraft
Оригинальные каталоги по VIN
Каталог мировых брендов
Запчасти ВАЗ, ГАЗ, КАМАЗ
Запчасти для ТО
Для спецтехники
Запчасти на ВАЗ, ГАЗ, Камаз и т.д.
Минитракторы
Уралец
Уралец
uralec
Поиск деталей
Например:
Механизм управления двигателем (120/160)
Двигатель
Сцепление
Ось передняя
Колеса
Коробка передач
Рулевой механизм
Полуось задняя
Тормоза
Сиденье, крылья, капот
Топливный бак
Гидробак
Масляный насос
Навесной механизм
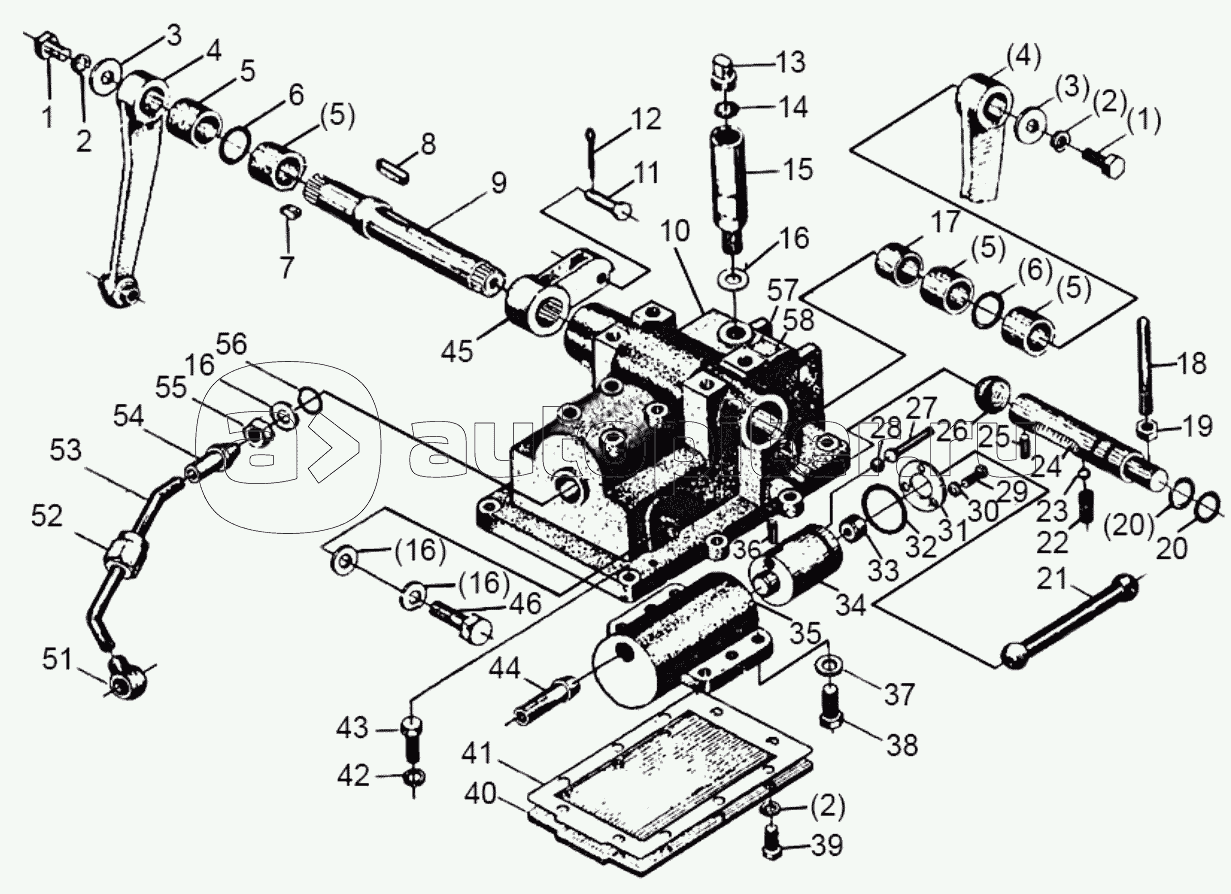
Гидрораспределитель
Механизм привода масляного насоса
Электрооборудование
Принадлежности
Гидробак в сборе (подъемник насоса) (старого образца)
Гидробак в сборе (подъемник насоса) (нового образца)