40484-2140484-21
Поиск деталей
Схема деления автопогрузчика МоАЗ-40484-21 на составные частиУстановка силоваяПередача гидромеханическаяТрансмиссия механическаяРамаПодвескаКолеса и шиныУправление рулевоеСистема тормознаяЭлектрооборудованиеОборудование навесноеГидросистемаКабина и оперение

Установка ГМП БелАЗ

Передача гидромеханическая

Картер коробки передач

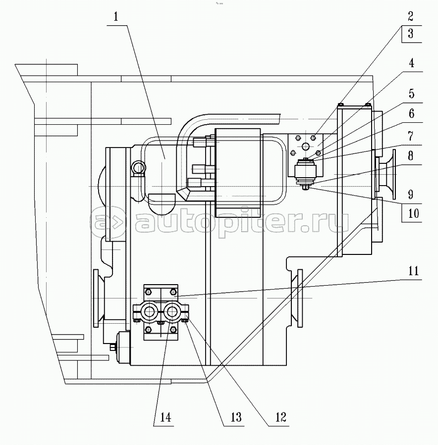
Картер гидромеханической передачи

Вал ведущий гидромеханической передачи

Вал диапазонный

Вал реверсивный

Вал ведомый

Насос гидромеханической передачи

Маслозаборник и полнопоточный фильтр

Фильтр тонкой очистки масла

Картер гидротрансформатора

Гидротрансформатор

Фрикцион

Коробка золотниковая

Клапан корректирующий

Механизм управления

Привод насоса

Клапан подпорный

Редуктор согласующий

Установка трубопроводов