1025.51025-5
Поиск деталей
Например: Установка двигателя
Механизмы дизеляСистема питанияСистема выпуска газаСистема охлажденияСцеплениеКоробка передачПривод ПВМПривод карданныйПередний ведущий мостЗадний мостУстройство прицепноеРамаКолесаУправление рулевоеТормозаЭлектрооборудованиеПриборыИнструмент и принадлежностиОтбор мощностиГидросистемаСтеклоочистителиКабина трактораСиденьеСистема кондиционированияПринадлежности кабиныОперениеСистема управления

Привод насоса

Механизм задней навески

Стяжка телескопическая

Гидросистема Р1221-4600010

Гидросистема Р1221-4600010

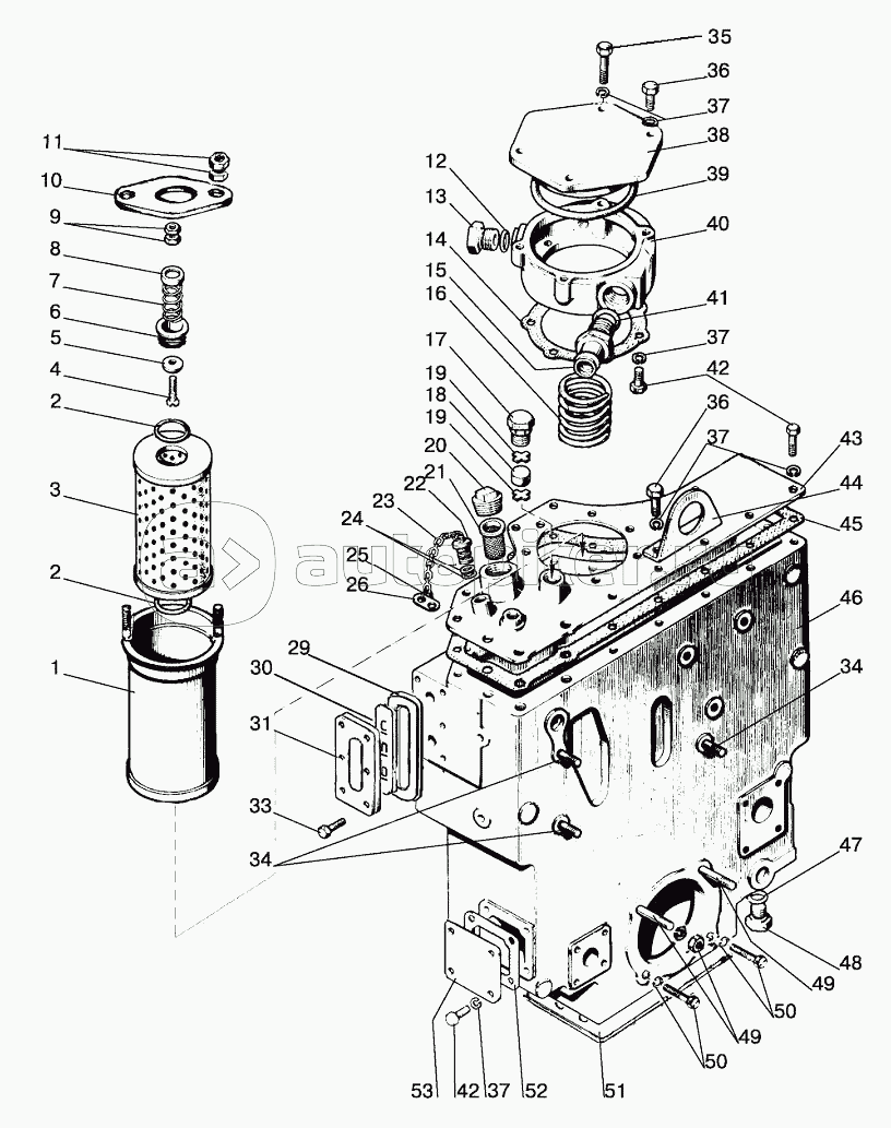
Корпус гидросистемы Р1221-4600015

Корпус гидросистемы Р1221-4600015

Корпус гидросистемы и фильтр

Муфта быстросоединяемая

Гидрораспределитель РП70

Гидрораспределитель РП70

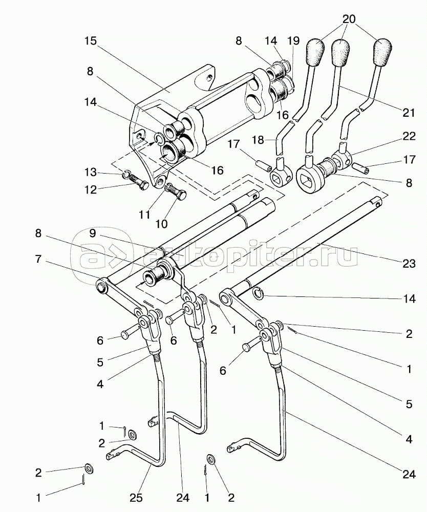
Управление гидрораспределителем РП 70

Цилиндр гидроподъемника

Цилиндр гидроподъемника

Распределитель гидроподъемника

Управление гидроподъемником

Гидроподъемник