БЕЛАРУС 2103belarus-2103
Поиск деталей
Например: Трактор гусеничный
Трактор гусеничныйБлок трансмиссионныйДвигательСистема топливнаяСистема выпускаСистема охлажденияСцеплениеКоробка передачГидросистема ГСППередача карданная трансмиссииМост заднийПередача конечнаяРамаГусеницаРулевое управлениеСистема тормознаяМеханизм поворотаЭлектрооборудованиеУстановка щитка приборовУстановка инструментального ящика, аптечкаВал отбора мощностиГидросистемаКабинаОблицовкаУправление навесным устройством

Установка кабины

Кабина. Установка пульта. Пульт. Установка панели

Облицовка

Установка верхнего пояса. Панель. Козырек

Крыша. Установка фильтра. Панель

Крыша

Дверь левая. Стекло. Запорное устройство

Дверь правая. Стекло. Запорное устройство

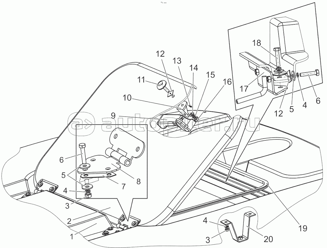
Стекло заднее. Установка панели

Стекло боковое левое. Фиксатор левый

Установка сиденья

Сиденье оператора

Система кондиционирования. Кондиционер. Конденсатор кондиционера

Система кондиционирования. Кондиционер. Конденсатор кондиционера

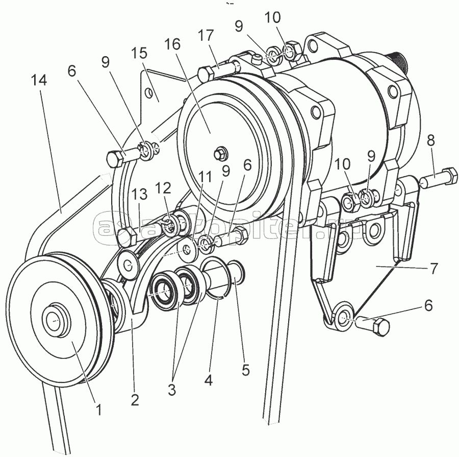
Компрессор кондиционера с приводом. Рычаг натяжной

Система отопления и вентиляции. Отопитель-вентилятор

Зеркало