БЕЛАРУС 923.7belarus-923-7
Поиск деталей
Например: Трансмиссия 90-0002000-01
Механизмы дизеляСистема питанияСистема выпуска газаСистема охлажденияСцеплениеКоробка передачПривод переднего ведущего мостаПривод карданныйПередний ведущий мостУстройство прицепноеРамаТяга рулеваяКолеса и ступицыУправление рулевоеТормозаЭлектрооборудованиеЩиток приборовОтбор мощностиБалластГидросистемаГидронавесная системаГидросистема раздельно-агрегатнаяГидронавесная системаГидросистемаЭлектрооборудованиеСтеклоомывателиКабинаСиденье водителяСиденьеСистема кондиционированияОтопление и вентиляцияПринадлежности кабиныОперениеСистема управления

Синхронизированный реверс – редуктор

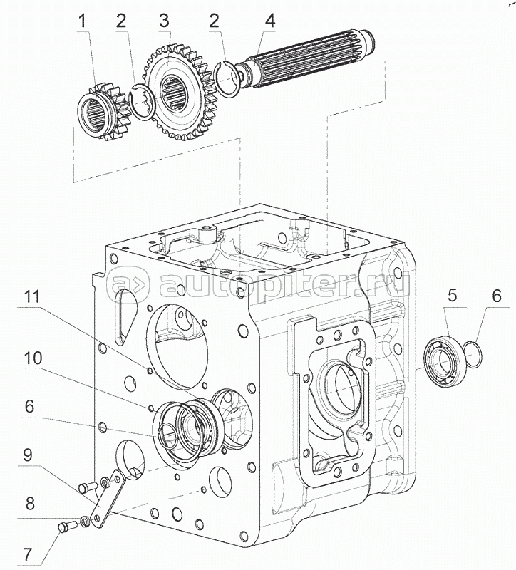
Редуктор

Управление комбинированным редуктором

Управление комбинированным редуктором. Крышка (управления реверсом) 95-1723010-01

Управление комбинированным редуктором. Крышка (управления редуктором) 95-1723015

Управление комбинированным редуктором. Кронштейн (напольный) 95-1723520

Корпус коробки передач 95-1701025

Корпус коробки передач 95-1701025

Вал первичный и вал вторичный 74-1701030, 74-1701040

Вал промежуточный. Вал внутренний

Вал I-ой передачи

Механизм управления синхронизированной КП. Корпус вилок.

Механизм 2-х рычажного управления КП