Ш-353Мsh-353m
Поиск деталей
Шасси шахтное «БЕЛАРУС» Ш353МУстановка силоваяТрансмиссияХодовая частьМеханизмы управленияЭлектрооборудованиеПринадлежностиУстановка сиденийКузовМашина транспортная шахтная «БЕЛАРУС» МТ-353М2Машина грузолюдская шахтная «БЕЛАРУС» МГЛ-363ММашина поливочная шахтная «БЕЛАРУС» МПЛ-373ММашина пожарная шахтная «БЕЛАРУС» МП-403М

Машина поливочная шахтная «БЕЛАРУС» МПЛ-373М 373М-0000010

Машина поливочная шахтная «БЕЛАРУС» МПЛ-373М 373М-0000010-01

Труба выпускная 373М-1203010

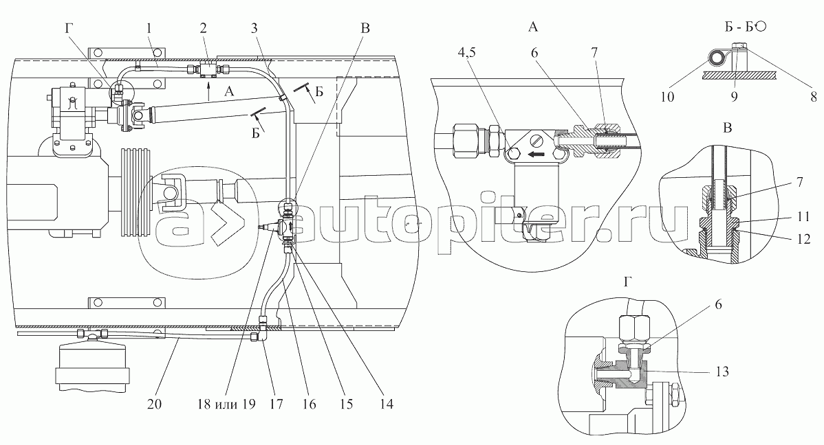
Пневмосистема управления приводом насосного агрегата 373М-1301010

Установка заднего бампера 373М-2800205

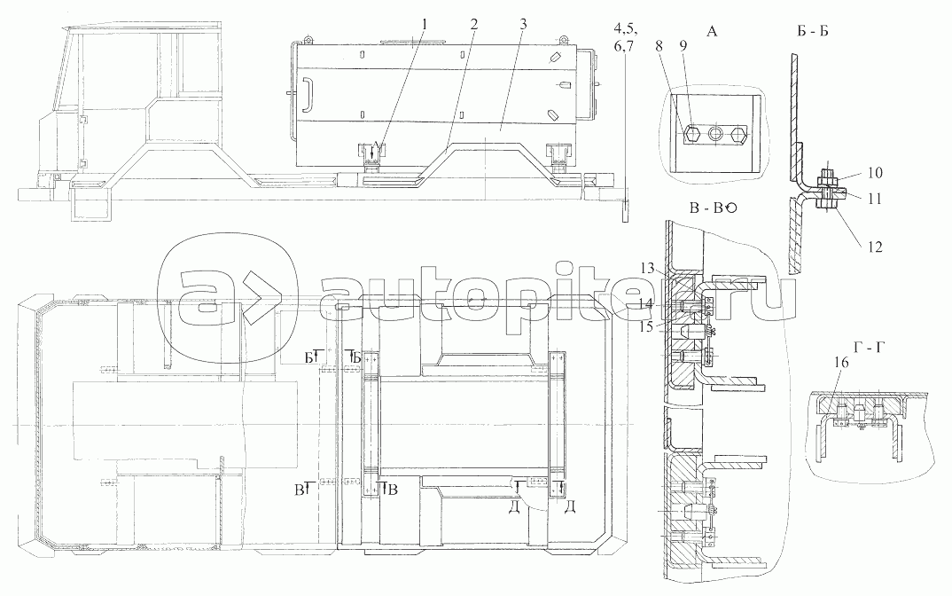
Установка верхних строений 373М-2801000

Электрооборудование цистерны 373М-3700040

Электрооборудование задней платформы 373М-3700050

Электрооборудование маяка 373М-3700060

Маяк проблесковый 373М-3738010

Привод насосного агрегата 373М-4200010

Опора промежуточная 406-4209400

Оборудование поливочное 373М-8503010-Б

Арматура пожарная 373М-8504010