МЗКТ-65158mzkt-65158
Поиск деталей
Например: Кабина

Установка коробки передач

Коробка передач с деталями выключения сцепления 65158-1700045

Коробка передач 65158-1700050

Картерные детали коробки передач

Валы и шестерни коробки передач

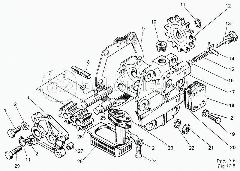
Масляный насос 202-1704010

Механизм переключения передач 202-1702010 и опора рычага 201-1702200

Воздухораспределитель 201-1723010

Вал выходной 202-1721300

Картер понижающей передачи 201 -1721014 и цилиндр с поршнем 201-1722020

Клапан редукционный 201-1723080

Привод переключения передач

Механизм промежуточный 64227-1703325 и хвостовик 69237-1703448

Рычаг коробки передач 64221-1703410-01

Карданный вал привода насоса 79111-1760040

Клапан электромагнитный 7917-1723010

Клапан электромагнитный 7930-1804100