ПС-5ps-5
Поиск деталей
Например: Протравливатель семян ПС-5
Протравливатель ПС-5

Протравливатель семян ПС-5

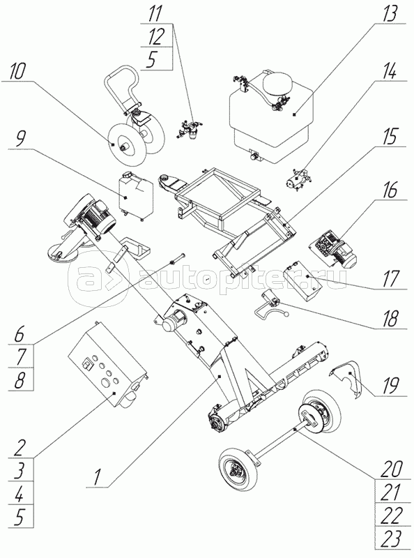
Шнек ИЯПБ 15.20.00.000.

Форсунка с приводом ИЯПБ 15.25.00.000.

Редуктор шнека загрузочного ИЯПБ 11.73.00.000.

Механизм подъема шнека ИЯПБ 15.00.13.000

Опора поворотная ИЯПБ 15.50.00.000.

Мост ведущий ИЯПБ 15.40.00.000.

Привод caмoxoдa ИЯПБ. 15.60.00.000.

Бак в сборе ИЯПБ 15.30.00.000.

Система дозирования ИЯПБ 15.30.03.000.

Узел распределения жидкости ИЯПБ 15.30.02.000.

Система фильтрации ИЯПБ 15.00.07.000.

Бачок в сборе ИЯПБ 15.04.00.000.