To content
Помощь по сайту
Новости
zapros.by@autopiter.com
Контакты
Страна: Беларусь
Выберите язык
Ru — Русский
En — English
De — Deutsch
Pl — Polski
Все категории
Каталоги запчастей
Минск
Вход
Корзина
Все категории
Каталоги запчастей
Фильтры Hebel Kraft
Оригинальные каталоги по VIN
Каталог мировых брендов
Запчасти ВАЗ, ГАЗ, КАМАЗ
Запчасти для ТО
Для спецтехники
Запчасти на ВАЗ, ГАЗ, Камаз и т.д.
SDLG
L953N
L953N
l953n
Поиск деталей
Например:
Engine asembly
Diesel engine system
Torque converter system
Transmission system
Transmission control system
Axle system
Implement hydraulic system
Working equipment
Steering system
Brake system
Frame
Cab group
Cover system
Air conditioner system
Electric system
Working equipment
Power electric system
Front frame electric system
Rear frame electric assembly
Cab electric system
Work lamp
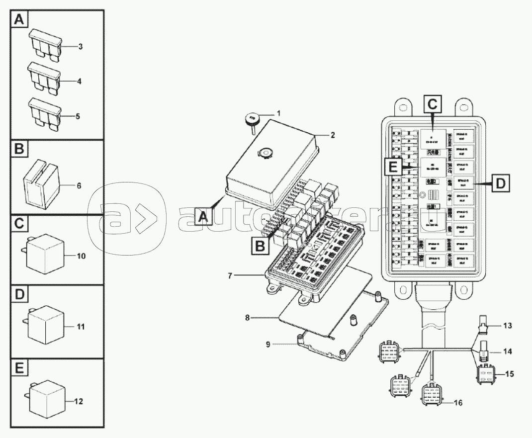
Fuse and relay unit
Fuse and relay unit
Electric assembly-engine
Engine hood electric system