To content
Помощь по сайту
Новости
zapros.by@autopiter.com
Контакты
Страна: Беларусь
Выберите язык
Ru — Русский
En — English
De — Deutsch
Pl — Polski
Все категории
Каталоги запчастей
Минск
Вход
Корзина
Все категории
Каталоги запчастей
Фильтры Hebel Kraft
Оригинальные каталоги по VIN
Каталог мировых брендов
Запчасти ВАЗ, ГАЗ, КАМАЗ
Запчасти для ТО
Для спецтехники
Запчасти на ВАЗ, ГАЗ, Камаз и т.д.
SDLG
LG918
LG918
lg918-2301
Поиск деталей
Например:
LG9180A1-5 Under the engine system
Engine system
Transmission system
Hydraulic system
Work device
Steering system
Braking system
Frame
Cab
Electrical system
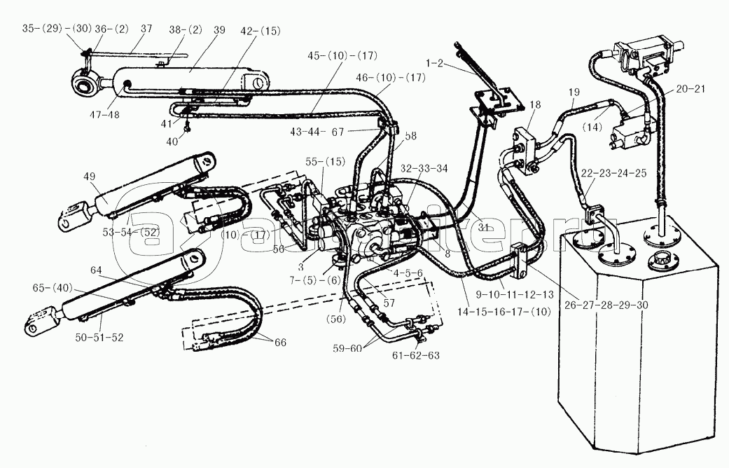
LG9180F1-4 Work equipment hydraulic system
LG9180G1 Fuel tank assembly
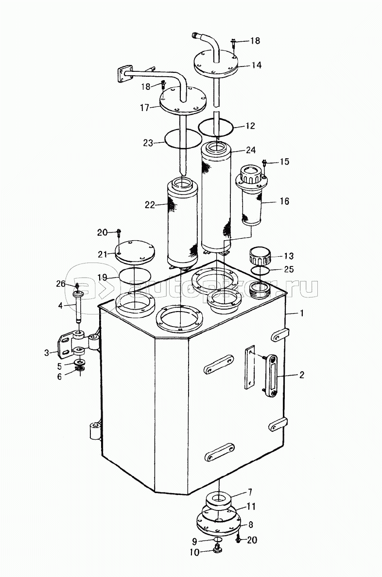
LG9180G2 Hydraulic tank assembly