LG933Llg933l
Поиск деталей
Например: Система двигателя
Система двигателяТрансмиссияГидрооборудованиеРабочее устройствоРулевое управлениеТормозаРамаКабинаЭлектрическая система

Система двигателя

Система двигателя

Топливный бак в сборе

Механизм управления акселератором

Механизм управления акселератором

Механизм управления акселератором

Механизм управления акселератором

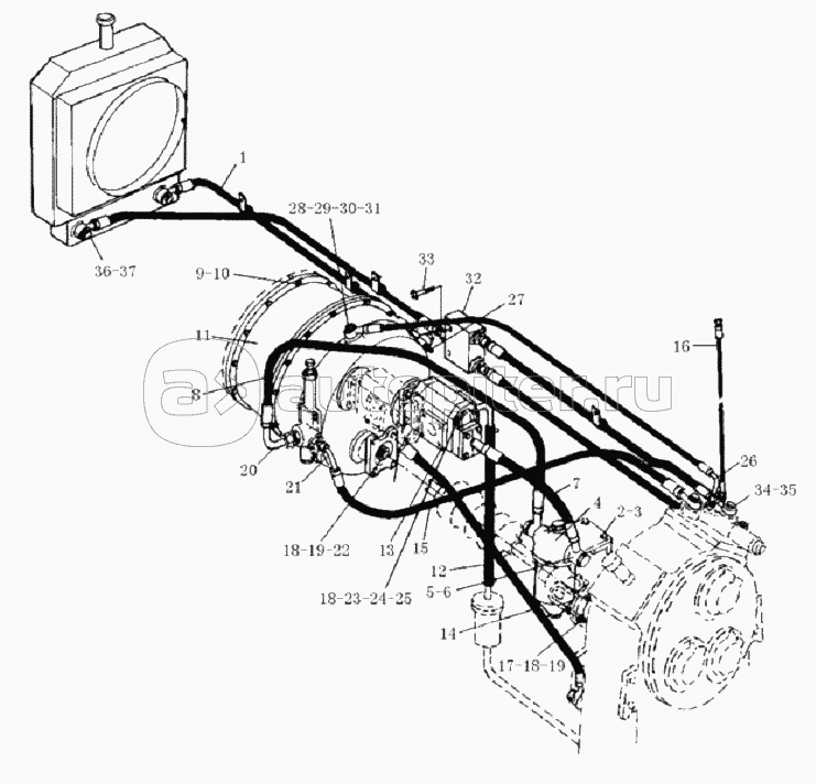
Преобразователь крутящего момента в сборе

Система преобразователя крутящего момента

Система преобразователя крутящего момента

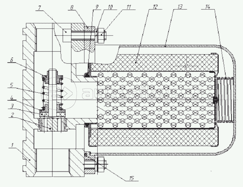
Гидравлический преобразователь крутящего момента YJ315LG-1(370804)

Фильтр QF60M33G-1 (410708)

Фильтр QF60M33G-1 (371328)